Welcome,
My Cart
0 item(s)

Models

Parts


product name

Echo EG-1500 S/N: 03797 - 99999 Electric Generator

Model: EG-1500 S/N: 03797 - 99999

Back To Assemblies

Save
Part Not Listed?Part Not Listed?
product name

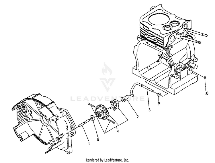
Governor

...
...
1
SHAFT, GOVERNOR ECH-Y16061061100

...
2
SPINDLE, GOVERNOR ECH-Y16061061300

...
3
YOKE, GOVERNOR ECH-Y16061061310

...
4
GOVERNOR GEAR ASSY ECH-Y16064161600

...
8

...
9

...
10
PIN - 6 - SNAP ECH-Y22360060000
...
...
...
...
...
Processing