Welcome,
My Cart
0 item(s)

Models

Parts


product name

Echo EG-1500 S/N: 03797 - 99999 Electric Generator

Model: EG-1500 S/N: 03797 - 99999

Back To Assemblies

Save
Part Not Listed?Part Not Listed?
product name

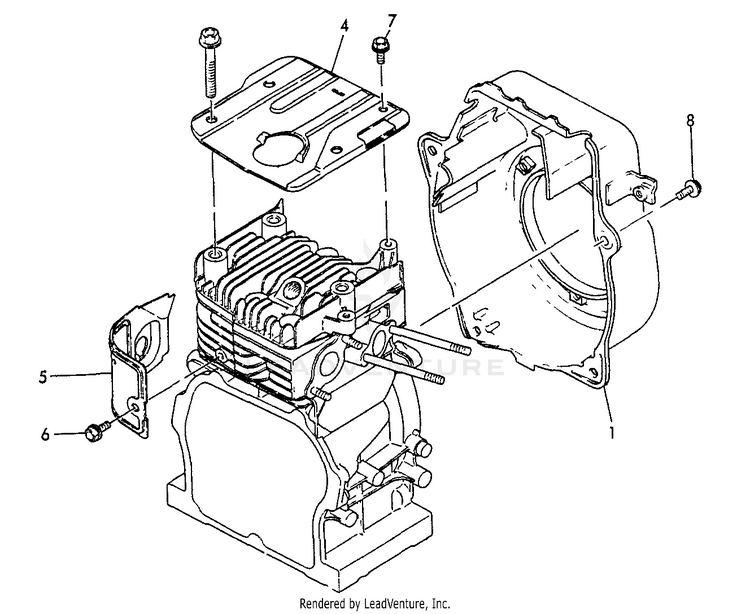
Fan Housing

...
...
1

...
4
COVER, CYLINDER HEAD ECH-Y16061145200

...
5
SHIELD, CYLINDER ECH-Y16061145211

...
6
BOLT - 6x8 - PLATED ECH-Y26476060142

...
7
BOLT - 6x8 - PLATED ECH-Y26476060142

...
8
BOLT - 6x8 - PLATED ECH-Y26476060142
...
...
...
...
...
Processing