Welcome,
My Cart
0 item(s)

Models

Parts


product name

Echo EG-1500 S/N: 00000 - 03796 Electric Generator

Model: EG-1500 S/N: 00000 - 03796

Back To Assemblies

Save
Part Not Listed?Part Not Listed?
product name

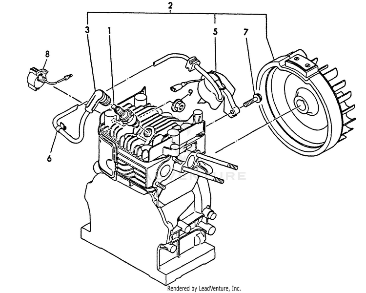
Flywheel Magneto And Stop Switch

...
...
1

...

...
3

...
5
COIL, IGNITION ECH-Y16061178510


...
7
BOLT - 6x30 ECH-Y26476060252

...
8
IGNITION SWITCH ASSY ECH-Y16061177250

...
...
...
...
...
...
Processing