Welcome,
My Cart
0 item(s)

Models

Parts


product name

Echo EG-1500 S/N: 00000 - 03796 Electric Generator

Model: EG-1500 S/N: 00000 - 03796

Back To Assemblies

Save
Part Not Listed?Part Not Listed?
product name

Generator

...
...
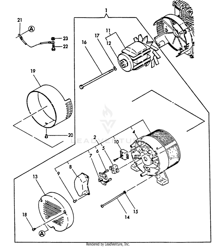
1
GENERATOR 1.3 KVA ECH-Y18362174110

...
2
STATOR ASSY ECH-Y18362174200

...
4
COVER - REAR ECH-Y18362174280

...
5
HOLDER, BRUSH ECH-Y18362074240

...
6
BRUSH - ( + ) ECH-Y18362074220

...
7
BRUSH - ( - ) ECH-Y18362074230


...
9
SCREW - 5x14 ECH-Y18382074300

...
10

...
11
BEARING, BALL ECH-Y18362074360

...
12
BEARING, BALL ECH-Y18362074360



...
15
LOCKWASHER - 6 ECH-Y22217060000


...
17
LOCKWASHER - 8 ECH-Y22217080000

...
18
SCREW - 4x8 ECH-Y18352091290


...
20
BOLT - 6x8 - PLATED ECH-Y26106060082

...
21
WIRE, EARTH ECH-Y18362174450

...
22
BOLT - 6x16 - PLATED ECH-Y26113060162

...
23
LOCKNUT - 6 - PLATED ECH-Y26753060002
...
...
...
...
...
Processing