Welcome,
My Cart
0 item(s)

Models

Parts


product name

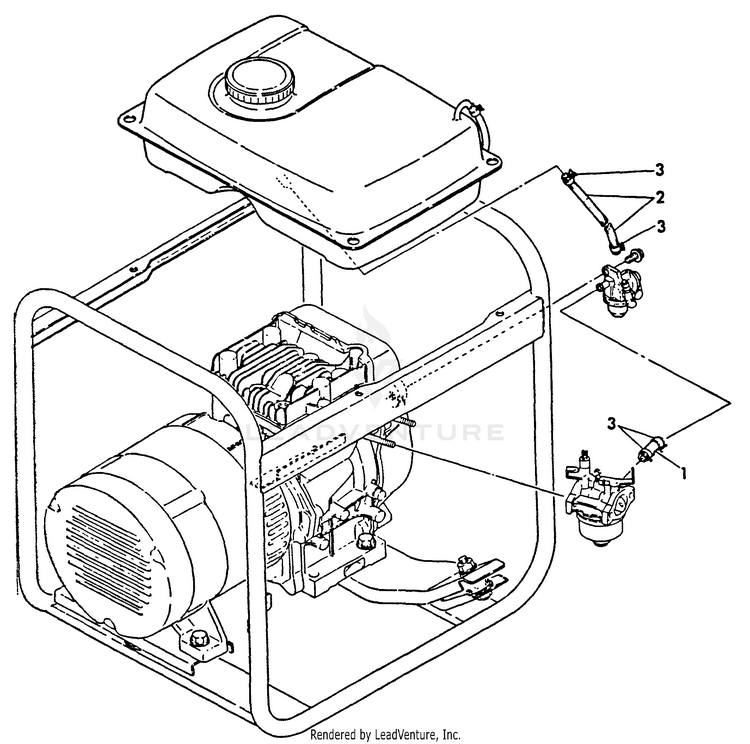
Echo EG-1500 S/N: 00000 - 03796 Electric Generator

Model: EG-1500 S/N: 00000 - 03796

Back To Assemblies

Save
Part Not Listed?Part Not Listed?
product name

Fuel Pipe

...
...
1

...
2

...
3
CLAMP, HOSE - 10 ECH-Y12406077680
...
...
...
...
...
Processing