Welcome,
My Cart
0 item(s)

Models

Parts


product name

Echo EG-1500 S/N: 00000 - 03796 Electric Generator

Model: EG-1500 S/N: 00000 - 03796

Back To Assemblies

Save
Part Not Listed?Part Not Listed?
product name

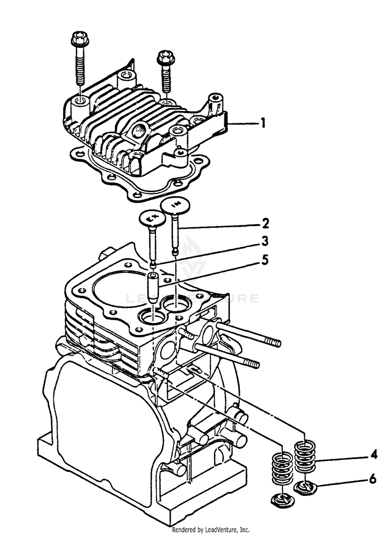
Cylinder Head

...
...
1
HEAD, CYLINDER ECH-Y16061111010

...
2
VALVE, SUCTION ECH-Y16061011100

...
3
VALVE, EXHAUST ECH-Y16061011110

...
4
SPRING, VALVE ECH-Y16061011120

...
5
GUIDE, VALVE ECH-Y16061011160

...
6
RETAINER, SPRING ECH-Y16061011180
...
...
...
...
...
Processing