Welcome,
My Cart
0 item(s)

Models

Parts


product name

Echo EG-10000 S/N: EG-190628- A0000001 - 190628- A9999999 Generator

Model: EG-10000 S/N:EG-190628-A0000001--190628- A9*

Back To Assemblies

Save
Part Not Listed?Part Not Listed?
product name

Carburetor

...
...
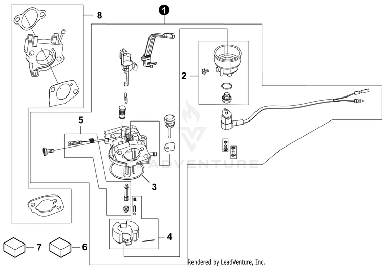
1
CARBURETOR ASSY. Includes Items 2-5 ECH-YH459000080

...
2

...
3
GASKET, CARB BOWL ECH-YH459000500

...
4
KIT, FLOAT ECH-YH459000430

...
5
KIT, MAIN JET ECH-YH459000440

...
6
KIT, EG-10000 HIGH ALTITUDE JET 3-6K ECH-YH459000550

...
7
KIT, EG-10000 HIGH ALTITUDE JET 6-8K ECH-YH459000560

...
8
GASKET SET, INTAKE ECH-YH468000420
...
...
...
...
...
Processing