Welcome,
My Cart
0 item(s)

Models

Parts


product name

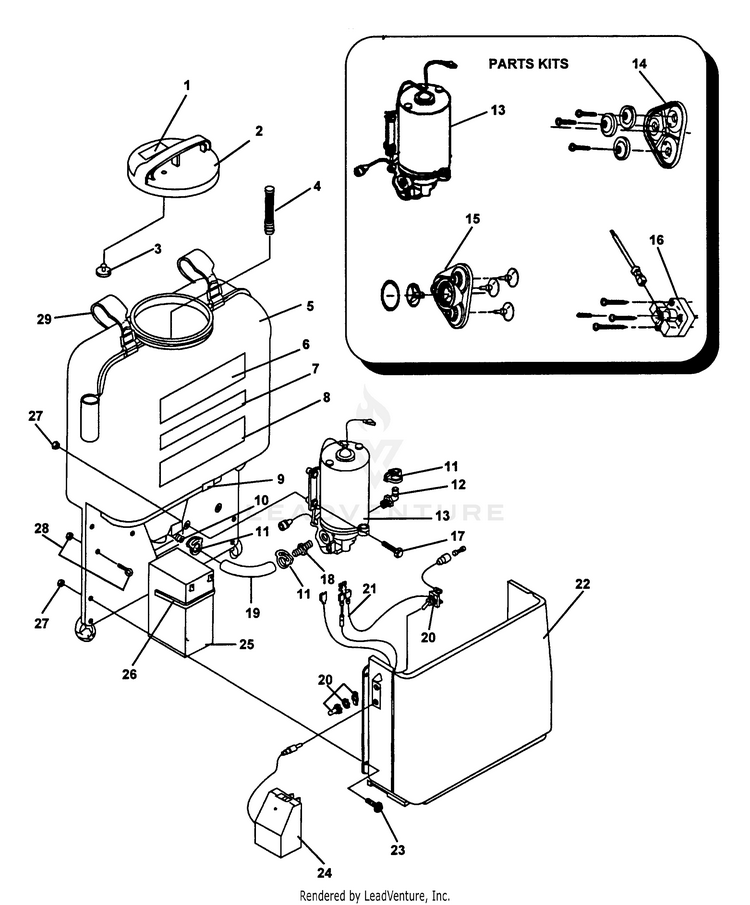
Echo DSHR-1000 Battery Electric Sprayer

Model: DSHR-1000

Save
Part Not Listed?Part Not Listed?
product name

Battery, Charger, Cover, Harness, Tank, Pump, Switch

...
...
1
LABEL - WARNING ECH-4310013


...
3
VALVE, CHECK ECH-4020308

...
4
FILTER, TANK ECH-4310011

...

...
6
LABEL - ECHO ECH-4310014

...
7
LABEL - SERIAL NUMBER ECH-4310015

...
8
LABEL - LARGE WARNING ECH-4310016

...
9
LABEL - BATTERY WARNING ECH-4310017

...
10
BARB FITTING, TANK - 90 DEG. ECH-4310012

...
11
CLAMP, HOSE ECH-4310130

...
12
FITTING, BARB - 90 DEG.x3/8 NPT ECH-4310120

...
13
PUMP - 12 VOLT ECH-4341236

...
14
DIAPHRAGM KIT ECH-4339506

...
15
VALVE KIT ECH-4339505

...
16
PRESSURE SWITCH KIT ECH-4337505

...
17
BOLTS, #8x1-1/4 ECH-4310140

...
18
FITTING - 3/8 NPT ECH-4310200

...
19
HOSE - 3/8 I.D. PUMP TO TANK ECH-4310100

...
20
SWITCH KIT ECH-4310060

...
21
WIRING HARNESS ECH-4310070

...
22

...
23
BOLTS, COVER #8x1/2 ECH-4310180

...
24
CHARGER, BATTERY - 12 VOLT ECH-211211451

...
25
BATTERY 12V ECH-211127000

...
26
STRAP, BATTERY ECH-4310170

...
27
NUTS, COVER #8 ECH-4310190

...
28
EYEBOLT & NUT, BATTERY TIE DOWN ECH-4310160

...
29
HARNESS ASSY, SHOULDER ECH-4310050

...
xx
CHARGING JACK ASS'Y NOT SHOWN ECH-21121452

Spray Gun Assembly, Wand Assembly, Trigger Assembly, Hose

...
...
1
SPRAY GUN ASSY Includes ITEM 2 & 8 ECH-4310080

...
2
WAND ASSY INCLUDES ITEMS 2 - 7 ECH-4310082

...
3
ADJUSTABLE SPRAY TIP ASSY ECH-4310085

...
4

...
5
FITTING - 45" ECH-4310083

...
6
SEAL, FERREL ECH-4310087

...
7
NUT, FERREL ECH-4310088

...
8
SPRAY TRIGGER ASSY Includes ITEM 9 ECH-4310081

...
9
VALVE KIT TRIGGER ASSY ECH-4310086

...
10
CLAMP, HOSE ECH-4310130

...
11
HOSE - 3/8 I.D.x48" ECH-4310090
...
...
...
...
...
Processing