Models
Parts
Model: CSV-8S
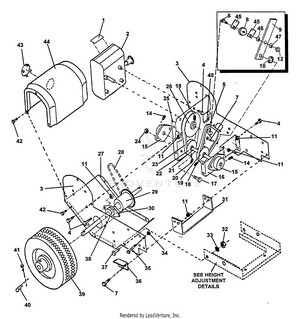
99945400010 Blower Attachment
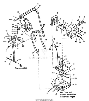
Handles, Gear Shift, Fuel Tank, Starter, Drv Cable
Rotor Housing, Hopper, Rotor Assy, Debris Bag, Decals
Self Propel Sys
Wheel Guard
Wheel, Front, Height Adjust Sys
99945400030 System 2 Flower Bed Vacuum Kit
Model: 1AHF08390
In Stock
Replaced By :
Please call us at 866-243-2721 or talk with us by sending us more information. We want to verify availability before placing your order.
For Customer Service inquiries please E-mail info@partswarehouse.com, Call 866.243.2721 or Text 972.383.9129
Mon - Sat 7AM - 7PM CT
Mon - Sat 6AM-2AM CT
Track your order
Reviews
FAQs
Price Match Guarantee
Sign in for faster checkout.