Welcome,
My Cart
0 item(s)

Models

Parts


product name

Echo CSV-5 Chipper/Shredder

Model: CSV-5

Back To Assemblies

Save
Part Not Listed?Part Not Listed?
product name

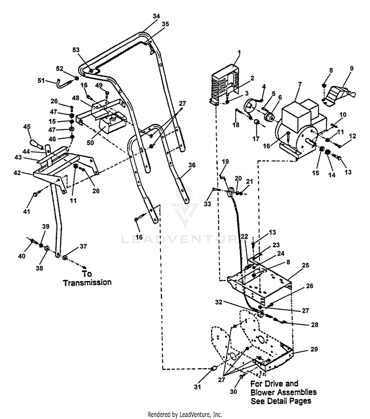
Handles, Gear Shift, Fuel Tank, Starter, Drv Cable

...
...
3
LOCKWASHER - 10 Purchase locally ECH---

...
------------------
HOUSING - 5 HP Purchase locally ECH---

...
------------------
HOUSING - 8 HP Purchase locally ECH---

...
------------------
SCREW - 8/32-×1/2" ECH---

...
------------------
ENGINE - BRIGGS & STRATTON 5HP MODEL 135212 TYPE 0308 ECH---

...
------------------
ENGINE - BRIGGS & STRATTON 8HP MODEL 192432 TYPE 0187 ECH---

...
11
LOCKWASHER - 5/16" Purchase locally ECH---

...
------------------
BOLT - 5/16-24×1" Purchase locally ECH---

...
20
WASHER - 8 Purchase locally ECH---

...
------------------
BOLT - 8/32×1-3/4" Purchase locally ECH---

...
38
WASHER - 1/4" Purchase locally ECH---

...
39
LOCKWASHER - 1/4" Purchase locally ECH---

...
------------------
BOLT - 1/4-28×3/4" Purchase locally ECH---

...
------------------
BOLT - 5/16-18×1-3/4" Purchase locally ECH---
...
...
...
...
...
Processing