Welcome,
My Cart
0 item(s)

Models

Parts


product name

Echo CSG-680 S/N: C23220001001 - C23220999999 Cut Off Saw

Model: CSG-680 S/N: C23220001001 - C23220999999

Back To Assemblies

Save
Part Not Listed?Part Not Listed?

product name

Popular Parts

Popular Parts


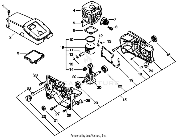
Piston, Crankcase

...
...
1

...
2
COVER, ENGINE ECH-A160000601

...
3

...
4

...
5

...
6
GASKET, CYLINDER ECH-10101032431

...
7
BELLOWS, INTAKE ECH-A202000040

...
8

...
9
PISTON KIT ECH-P021015290

...
10
RING, PISTON ECH-A101000150

...
11
PIN, PISTON 12 ECH-V610000000

...
12
WASHER, THRUST ECH-10001418430

...
13
RING, SNAP ECH-V580000000

...
14
BEARING, NEEDLE ECH-10001232430

...
15
CRANKCASE KIT CSG-680 ECH-P021007492

...
16

...
17
PIN, LOCATING 5x10 ECH-10021502830

...
18
STUD, GUIDE BAR ECH-43301121861

...
19
GASKET, CRANKCASE ECH-10024232430

...
20
BEARING, BALL 6202 ECH-90081036202

...
21

...
22
CAP, OIL TANK ECH-43601307061

...
23

...
24

...
25

...
26
SCREW 5x14 ECH-90023805014

...
27
BOLT M5x35 ECH-90016205035

...
28

...
29
KEY, WOODRUFF ECH-10014230830

...
30
CRANKSHAFT ASSY ECH-A011000292
...
...
...
...
...
Processing