Welcome,
My Cart
0 item(s)

Models

Parts


product name

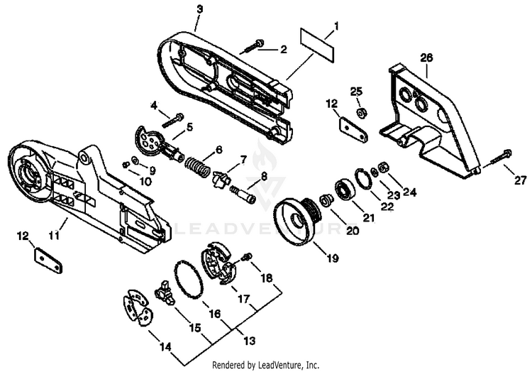
Echo CSG-680 S/N: C23220001001 - C23220999999 Cut Off Saw

Model: CSG-680 S/N: C23220001001 - C23220999999

Back To Assemblies

Save
Part Not Listed?Part Not Listed?

product name

Popular Parts

Popular Parts


Clutch, Arm Cutter Cover

...
...
1
LABEL - ECHO ECH-X502000540

...
2
SCREW 5x25 ECH-90023805025

...
3
COVER, CUTTER ARM ECH-C361000010

...
4

...
5
SHAFT, ARM ADJUST ECH-C362000002

...
6
SPRING, ADJUSTER ECH-61121605260

...
7
HOLDER, SPRING ECH-V455000030

...

...
9
WASHER, SPRING 8.5x16x0.5 ECH-17504956030

...

...
11
ARM, CUTTER ECH-C360000012

...
12
SPACER, ARM ECH-61111706060

...
13
CLUTCH ASSY ECH-17500006061

...
14
PLATE, CLUTCH ECH-17501916130

...
15
BOSS, CLUTCH ECH-17501616130

...
16
SPRING, CLUTCH ECH-17501832430

...
17
CLUTCH SHOE SET (3PCS) ECH-17500232431

...
18

...
19
DRUM, CLUTCH ECH-A556000310

...
20
COLLAR - 10 ECH-V356000260

...
21
BEARING, BALL 6001 DDU C3 ECH-9400236001

...
22
RING, SNAP 28 ECH-90070200028

...

...
24

...
25
NUT, FLANGE M8x1.25 ECH-V265000200

...
26
COVER, V-BELT ECH-61111120760

...
27
SCREW 5x25 ECH-90023805025
...
...
...
...
...
Processing