Welcome,
My Cart
0 item(s)

Models

Parts


product name

Echo CSG-680 S/N: 03001001 - 03999999 Cut Off Saw

Model: CSG-680 S/N: 03001001 - 03999999

Back To Assemblies

Save
Part Not Listed?Part Not Listed?

product name

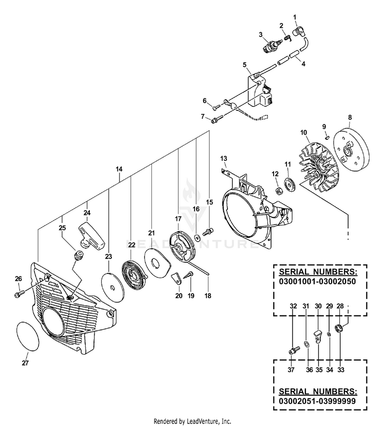
Ignition, Starter

...
...
1
CAP, SPARK PLUG ECH-15901203433

...
2
TERMINAL, SPARK PLUG ECH-15901103432

...
3
SPARK PLUG - BPM7Y ECH-99944500071R


...
5
COIL, IGNITION ECH-15660132632

...
6

...
7

...
8

...
9
KEY, WOODRUFF ECH-10014230830


...
11
WASHER 8.2x31x0.8 ECH-10014319830

...

...
13
COVER, FAN ECH-A172000130

...
14
STARTER ASSY Includes ITEMS 15-25 ECH-P021004210

...
15

...
16
WASHER 5.5x12x0.8 ECH-90060300005

...
17
REEL, ROPE ECH-17721507060

...
18
ROPE, STARTER RePower BULK OPTION: 99944450000 ECH-17722606060

...
19

...
20
PLATE, EYE ECH-43314415130

...
21
PLATE, STARTER ECH-17722107060

...
22
SPRING, RECOIL ECH-17722002834

...
23
PLATE, STARTER ECH-17722102830

...
24
GRIP, STARTER ECH-17722830832

...
25
GUIDE, ROPE ECH-17722707060

...
26

...
27
LABEL - ECHO ECH-89011817930

...
28
SPRING, RETURN ECH-17723419832

...

...
30
RATCHET SET ECH-P021009872

...
31
WASHER 5.5x12x0.8 ECH-90060300005

...
32

...
33
SPRING, RETURN ECH-17723419832

...
34

...
35
PAWL, STARTER ECH-17721832632

...
36
WASHER 5.5x12x0.8 ECH-90060300005

...
37
...
...
...
...
...
Processing