Models
Parts
Model: CSG-6700 S/N: 005531 - 999999
Carburetor
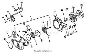
Clutch, Cutting Arm
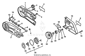
Cutting Attachment, Tools
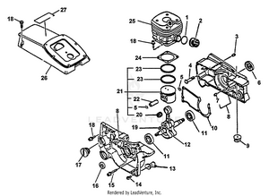
Engine, Crankcase
Handles, Fuel System
Ignition, Starter
Intake, Exhaust, Air Cleaner
61102207061 25mm Wheel Adapter
99944700011 Diamond Wheel - 12"/20mm
99944700012 Diamond Wheel - 12"/25mm
99944700015 Diamond Wheel - 12"/20mm
99944700016 Diamond Wheel - 12"/25mm
99944700019 Diamond Wheel - 12"/20mm
99944700020 Diamond Wheel - 12"/20mm
99944700021 Diamond Wheel - 12"/25mm
99944700030 Diamond Wheel - 12"/20mm
99944700050 Diamond Wheel - 12"/25mm
99944700060 Diamond Wheel - 12"/25mm
99944700070 Abrasive Wheel - 12"/20mm
99944700080 Abrasive Wheel - 12"/20mm
99944700090 Abrasive Wheel - 12"/20mm
99944700100 Abrasive Wheel - 12"/20mm
99944700120 Abrasive Wheel - 12"/25mm
99944700130 Abrasive Wheel - 12"/25mm
99944700140 Abrasive Wheel - 12"/25mm
99944700150 Abrasive Wheel - 12"/25mm
99944700170 Two Wheel Cart
99944700181 Water Kit
99944700190 CSG_QV Storage Case
Model: 1AHF08390
In Stock
Replaced By :
Please call us at 866-243-2721 or talk with us by sending us more information. We want to verify availability before placing your order.
For Customer Service inquiries please E-mail info@partswarehouse.com, Call 866.243.2721 or Text 972.383.9129
Mon - Sat 7AM - 7PM CT
Mon - Sat 6AM-2AM CT
Track your order
Reviews
FAQs
Price Match Guarantee
Sign in for faster checkout.