Welcome,
My Cart
0 item(s)

Models

Parts


product name

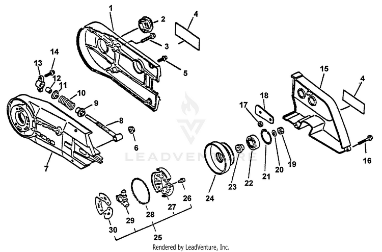
Echo CSG-6700 S/N: 001001 - 002600 Cut Off Saw

Model: CSG-6700 S/N: 001001 - 002600

Back To Assemblies

Save
Part Not Listed?Part Not Listed?

product name

Popular Parts

Popular Parts


Clutch, Cutting Arm

...
...
1
COVER, V-BELT ECH-61111106060


...
3
SCREW 5x30 ECH-90023805030

...
4
LABEL - ECHO ECH-89011807060

...
5
SCREW - 5x20 ECH-90028305020

...
6
NUT, FLANGE M8x1.25 ECH-V265000200

...
7
COVER, V-BELT ECH-61111007060

...
8
ROD, ADJUSTER ECH-61121506060

...
9

...
10
SPRING, ADJUSTER ECH-61121605260

...

...
12
SPACER, SHAFT ECH-61121805260

...
13

...
14

...
15
COVER, ARM ECH-61111607060

...
16
SCREW 4x35 ECH-90023804035

...

...
18
SPACER, ARM ECH-61111706060

...
19

...
20
WASHER, CLUTCH ECH-17504403430

...
21
RING, SNAP 32 ECH-90070200032

...
22
BEARING, BALL 6201 ECH-90081206201

...

...
24
DRUM, CLUTCH ECH-17500506060

...
25
CLUTCH ASSY ECH-17500006061

...
26

...
27
CLUTCH SHOE SET (3PCS) ECH-17500232431

...
28
SPRING, CLUTCH ECH-17501832430

...
29
BOSS, CLUTCH ECH-17501616130

...
30
PLATE, CLUTCH ECH-17501916130
...
...
...
...
...
Processing