Welcome,
My Cart
0 item(s)

Models

Parts


product name

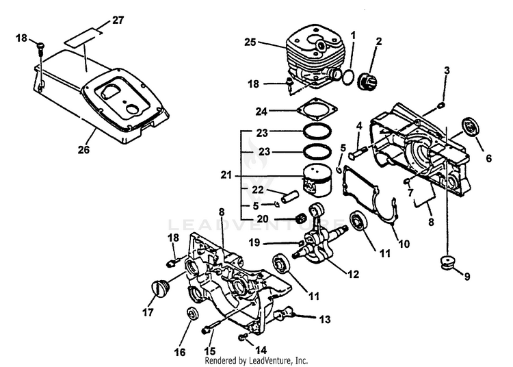
Echo CSG-6700 S/N: 001001 - 002600 Cut Off Saw

Model: CSG-6700 S/N: 001001 - 002600

Back To Assemblies

Save
Part Not Listed?Part Not Listed?

product name

Popular Parts

Popular Parts


Engine, Crankcase

...

...
2
ADAPTOR, INTAKE ECH-13051032430

...
3


...
5
RING, SNAP ECH-10001500230

...
6

...
7
PIN, LOCATING 5x10 ECH-10021502830

...
8
CRANKCASE Includes Items 4, 7, 10, 15, 17 ECH-10020407065

...

...
10
GASKET, CRANKCASE ECH-10024232430

...
11
BEARING, BALL 6202 ECH-90081036202

...
12
CRANKSHAFT ASSY ECH-10010006061

...
13

...
14
SCREW 5x14 ECH-90023805014

...
15
BOLT M5x35 ECH-90016205035

...
16

...
17
CAP, OIL TANK ECH-43601307061

...
18

...
19
KEY, WOODRUFF ECH-10014230830

...
20
BEARING, NEEDLE ECH-10001232430

...
21
PISTON KIT Includes Items 5, 20 - 23 ECH-10000032432

...
22
PIN, PISTON ECH-10001332430

...
23
RING, PISTON ECH-10001132431

...
24
GASKET, CYLINDER ECH-10101032431

...
25
CYLINDER KIT Includes ITEM 24 ECH-10100132431

...
26
COVER, CYLINDER ECH-10150607061

...
27
LABEL - CAUTION ECH-89017807060
...
...
...
...
...
Processing