Welcome,
My Cart
0 item(s)

Models

Parts


product name

Echo CSG-670 S/N: 001001 - 999999 Cut Off Saw

Model: CSG-670 S/N: 001001 - 999999

Back To Assemblies

Save
Part Not Listed?Part Not Listed?
product name

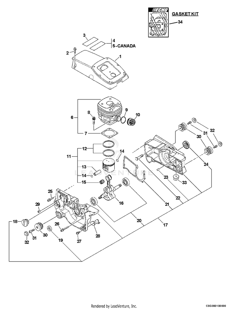
Engine, Crankcase, Cylinder Cover

...
...
1
COVER, CYLINDER ECH-10150607061

...
2

...
3
LABEL - CAUTION CANADA MODELS ECH-89034407060

...
4
LABEL - CAUTION ECH-89017807060

...
5
LABEL - CAUTION CANADA MODELS ECH-89031707060

...
6
CYLINDER KIT Includes ITEM 7 Included In 88990007060 - Top End Overhaul Kit ECH-10100132431

...
7
GASKET, CYLINDER Also Included In GASKET KIT, Also Included In 88990007060 - Top End Overhaul Kit ECH-10101032431

...
8

...
9
BAND Included In 88990007060 - Top End Overhaul Kit ECH-13051630830

...
10
ADAPTOR, INTAKE Included In 88990007060 - Top End Overhaul Kit ECH-13051032430

...
11
PISTON KIT Includes ITEMS 12-15 Included In 88990007060 - Top End Overhaul Kit ECH-10000032432

...
12
RING, PISTON Included In 88990007060 - Top End Overhaul Kit ECH-10001132431

...
13
PIN, PISTON Included In 88990007060 - Top End Overhaul Kit ECH-10001332430

...
14
RING, SNAP Included In 88990007060 - Top End Overhaul Kit ECH-10001500230

...
15
BEARING, NEEDLE Included In 88990007060 - Top End Overhaul Kit ECH-10001232430

...
16
CRANKSHAFT ASSY ECH-10010006061

...
17
CRANKCASE INCLUDES ITEMS 19-24 ECH-10020407065

...
18
CAP, OIL TANK ECH-43601307061

...
19

...
20
BEARING, BALL 6202 ECH-90081036202

...
21
GASKET, CRANKCASE Also Included In GASKET KIT, Also Included In 88990007060 - Top End Overhaul Kit ECH-10024232430


...
23
PIN, LOCATING 5x10 ECH-10021502830

...
24

...
25

...
26
BOLT M5x35 ECH-90016205035

...
27
SCREW 5x14 ECH-90023805014

...
28

...
29

...
30

...
31

...
32
CAP, CUSHION ECH-10091819830

...
33

...
34
GASKET KIT ECH-88900032530
...
...
...
...
...
Processing