Models
Parts
Model: CS-1201
Carburetor
Clutch, Chain Brake Assembly
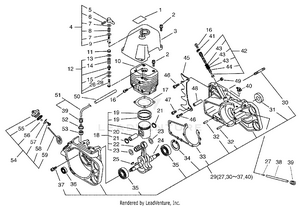
Cylinder, Crankcase, Cylinder Cover
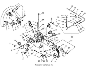
Handles, Fuel System, Throttle Control
Ignition, Starter Assembly
Intake, Exhaust
Air Cleaner, Carburetor, Muffler
Clutch, Sprocket
Cylinder, Piston, Crankcase
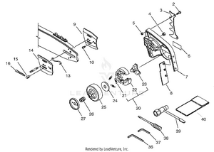
Guide Bar, Chain
Handle
Starter, Magnetp
Model: 1AHF08390
In Stock
Replaced By :
Please call us at 866-243-2721 or talk with us by sending us more information. We want to verify availability before placing your order.
For Customer Service inquiries please E-mail info@partswarehouse.com, Call 866.243.2721 or Text 972.383.9129
Mon - Sat 7AM - 7PM CT
Mon - Sat 6AM-2AM CT
Track your order
Reviews
FAQs
Price Match Guarantee
Sign in for faster checkout.