Models
Parts
Model: C35LA
Air Cleaner, Carburetor
Bushing Driver Assy
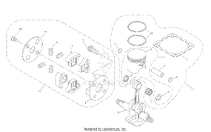
Clutch, Crankshaft, Piston
Cylinder, Muffler
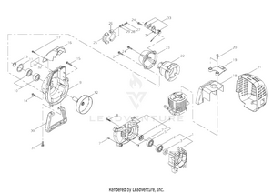
Fan Cover, Crankcase, Cylinder Cover
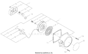
Flywheel, Ignition
Fuel Tank
Gearcase
Handle, Throttle Lever
Harness/Debris Shield
Outer Tube
Puller Assembly
Starter
Tool Set
Carburetor / Air Filter
Clutch, Piston
Crankcase / Engine Cover / Fan Cover
Cylinder / Intake / Muffler
Flywheel / Ignition Coil
Gear Case
Handle Bracket Kit / Throttle Control
Harness Assembly / Debris Shield
Model: 1AHF08390
In Stock
Replaced By :
Please call us at 866-243-2721 or talk with us by sending us more information. We want to verify availability before placing your order.
For Customer Service inquiries please E-mail info@partswarehouse.com, Call 866.243.2721 or Text 972.383.9129
Mon - Sat 7AM - 7PM CT
Mon - Sat 6AM-2AM CT
Track your order
Reviews
FAQs
Price Match Guarantee
Sign in for faster checkout.