Models
Parts
Model: C350
Carburetor
Carburetor -- EPA & CARB Changes
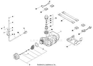
Crankcase
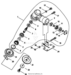
Crankshaft
Cylinder
Fan Cover
Flywheel
Fuel Tank
Gearcase
Guard
Handle, Throttle Lever
Harness
Muffler
Outer Tube
Starter
Tool Set
Carburetor / Air Filter
Clutch, Piston
Crankcase / Engine Cover / Fan Cover
Cylinder / Intake / Muffler
Debris Shield / Harness Assembly
Flywheel / Ignition Coil
Gear Case
Throttle Control / Handle Bracket Kit
Attachments
Model: 1AHF08390
In Stock
Replaced By :
Please call us at 866-243-2721 or talk with us by sending us more information. We want to verify availability before placing your order.
For Customer Service inquiries please E-mail info@partswarehouse.com, Call 866.243.2721 or Text 972.383.9129
Mon - Sat 7AM - 7PM CT
Mon - Sat 6AM-2AM CT
Track your order
Reviews
FAQs
Price Match Guarantee
Sign in for faster checkout.