Models
Parts
Model: AH254 S/N: T12711001001 - T12711999999
BLADES, GEAR CASE - WITH TIP GUARD
BLADES, GEAR CASE - WITHOUT TIP GUARD
CAM GEAR, REED VALVE
CARBURETOR
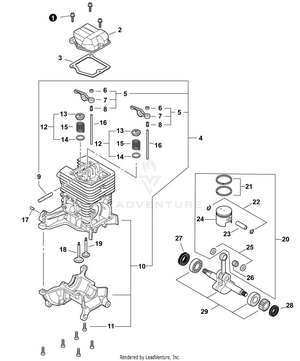
ENGINE
ENGINE COVER
EXHAUST
FAN CASE
FUEL SYSTEM S/N T12711001001 - T12711001282
FUEL SYSTEM S/N T12711001283 - T12711999999
IGNITION
INTAKE
LABELS
MAIN PIPE
RECOIL STARTER
THROTTLE CONTROL
TOOLS
BULK PIPE
BULK STARTER ROPE
MAINTENANCE KITS
Model: 1AHF08390
In Stock
Replaced By :
Please call us at 866-243-2721 or talk with us by sending us more information. We want to verify availability before placing your order.
For Customer Service inquiries please E-mail info@partswarehouse.com, Call 866.243.2721 or Text 972.383.9129
Mon - Sat 7AM - 7PM CT
Mon - Sat 6AM-2AM CT
Track your order
Reviews
FAQs
Price Match Guarantee
Sign in for faster checkout.