Welcome,
My Cart
0 item(s)

Models

Parts


product name

Echo 99944200590 Articulating Hedge Trimmer Attachment

Model: 99944200590 Articulating Hedge Trimmer

Save
Part Not Listed?Part Not Listed?

product name

Popular Parts

Popular Parts


Driveshaft Housing Asy, Articulating Gear Case

...
...
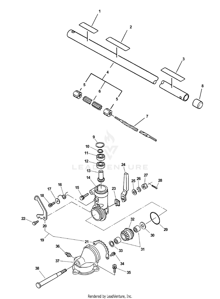
1
LABEL - CAUTION ECH-89017854331

...
2
LABEL - CAUTION ISO ECH-X505011540

...
3
LABEL - CAUTION ECH-X505000531

...
4
PIPE, MAIN INCLUDES ITEMS 5-6 ECH-C050000061

...

...
6
LINER - FLEXIBLE ECH-C507000520

...
7
DRIVESHAFT - FLEXIBLE ECH-C506000760

...
8
CAP, MAIN PIPE ECH-35122301130

...
9
RING, SNAP 22 ECH-90070200022

...
10
RING, SNAP 10 ECH-90070600010

...
11
BEARING, BALL 6900Z ECH-90085806900

...
12
BEARING, BALL 6900 ECH-90085506900

...
13
GEAR, DRIVE ECH-61031112360

...
14
CASE, GEAR ECH-61041012361

...
15

...
16
SPRING, THROTTLE LOCKOUT ECH-17801312360

...
17
WASHER 5.5x12x0.8 ECH-90060300005

...
18

...
19
LATCH RESETTER SET INCLUDES ITEMS 20-21 ECH-P021000850


...
21
ADJUSTER, LATCH ECH-61047012361

...

...
23
PLATE, ANGLE ECH-61047812361

...
24
PIECE, LEVER ECH-19051112362

...

...
26
WASHER, SPRING 6 ECH-90060500006

...
27
NUT, SLOT 6 ECH-90052900006

...
28
PIN, COTTER 1.6x16 ECH-90030016016

...
29

...
30

...
31
BEARING, NEEDLE ECH-10011311520

...
32
GEAR, BEVEL ECH-61036112360

...
33

...
34

...
35

...
36
FITTING, GREASE ECH-88011010860

...
37
COVER, GEAR CASE ECH-61043112360

...
38
SHAFT, GEAR ECH-61031012360

Gear Case, Blades

...
...
1
SUPPORT, BLADE ECH-69911012360



...
4
WASHER, SPRING 5 ECH-90060500005

...
5

...
6
GEAR, SPUR ECH-61031212360

...
7
BEARING, BALL 6000 ECH-90080006000

...
8

...
9
FITTING, GREASE ECH-88011010860

...
10
CASE, GEAR ECH-61042012361



...
13

...
14
PLATE, SIDE ECH-61046254030

...
15
CONROD ASSY ECH-61080554030

...
16
KEY, WOODRUFF ECH-61032502730


...
18
GASKET, GEAR CASE ECH-V110000000

...
19
PLATE, GUIDE ECH-61045054030

...
20
BEARING, PLAIN ECH-16061605410

...
21

...
22
PLATE, SIDE ECH-61042454030

...
23
PLATE, EYE ECH-61044754030

...
24
COVER ASSY ECH-61040954031

...

...
26
WASHER, SPRING 5 ECH-90060500005

...
27
ADJUSTER ASSY, HANDLE ECH-35130512360

...
28
GRIP, HANDLE Not Required When Replacing ITEM 27 ECH-35131512360

...
29
BOLT - 5x25 ECH-90014205025

...
30
PLATE, EYE ECH-V150000311


...
32

...
33

...
34
PLATE, ANGLE ECH-61044054030

...
35
SCREW 5x20 ECH-90021205020

...
36

...
37

...
38
WASHER 6.5x15.5x0.6 ECH-69911804560

...
39
BOLT, CUTTER ECH-69911507760

...
40
BOLT, CUTTER ECH-69911504560

...
41
Scabbard, Black. Hca-265es ECH-X495000960

...
42
WRENCH, ALLEN 4 MM ECH-A605000100

...
43
SPANNER 8x10 ECH-89511200330
...
...
...
...
...
Processing