Welcome,
My Cart
0 item(s)

Models

Parts


product name

Echo 492 S/N: C83615001001 - C83615999999 Chainsaw

Model: 492 S/N: C83615001001 - C83615999999

Back To Assemblies

Save
Part Not Listed?Part Not Listed?

product name

Popular Parts

Popular Parts


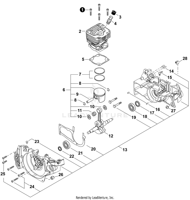
ENGINE

...
...
1
BOLT, ADHESIVE M5x20 ECH-V203001320

...
2

...
3
COVER, DUST ECH-V141000090

...
4
VALVE ASSY, DECOMPRESSION ECH-A014000120

...
5
GASKET, CYLINDER ECH-V100000620

...
6
PISTON KIT Includes Items 7-11 ECH-P021048650

...
7
RING, PISTON ECH-A101000690

...
8
RING, SNAP 11 ECH-V580000030

...
9
PIN, PISTON 11 ECH-V609000070

...
10
WASHER, THRUST 11 ECH-V308000040

...
11
BEARING, NEEDLE 11 ECH-V556000040

...
12
CRANKSHAFT ASSY ECH-A011001420

...
13
CRANKCASE ASSY Includes Items 14-25 ECH-P100005031

...
14
PIN, LOCATING 4x11 ECH-V629000000

...
15
CONNECTOR, PIPE ECH-43723914730

...
16
PIN, LOCATING 4x8 ECH-90033040080

...
17
SEAL, OIL 15 ECH-V508000070

...
18
BEARING, BALL 6202 C3 ECH-V592000290

...
19
BOLT, STUD 8 ECH-V225000150

...
20
GASKET, CRANKCASE ECH-V102000221

...
21
BEARING, BALL 6201 ECH-9403536201

...
22
SEAL, OIL 12 ECH-V505000070

...
23
VENT ASSY ECH-A356000130

...
24
BOLT M5x35 ECH-V203001450

...
25
BOLT M5x18 ECH-V203001540

...
26
CUSHION M ECH-V420002780

...
27

...
...
...
...
...
Processing