Models
Parts
Model: 492 S/N: C83615001001 - C83615999999
CARBURETOR
CHAIN BRAKE
CLUTCH
CLUTCH COVER
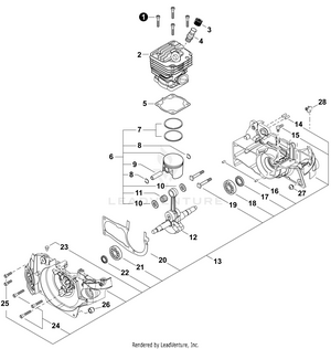
ENGINE
EXHAUST
FUEL SYSTEM
HANDLES
IGNITION
INTAKE, AIR FILTER, ENGINE COVER
LABELS
OIL SYSTEM
RECOIL STARTER
SAW CHAIN, GUIDE BAR
TOOLS
BULK PIPE
BULK STARTER ROPE
MAINTENANCE KITS
Model: 1AHF08390
In Stock
Replaced By :
Please call us at 866-243-2721 or talk with us by sending us more information. We want to verify availability before placing your order.
For Customer Service inquiries please E-mail info@partswarehouse.com, Call 866.243.2721 or Text 972.383.9129
Mon - Sat 7AM - 7PM CT
Mon - Sat 6AM-2AM CT
Track your order
Reviews
FAQs
Price Match Guarantee
Sign in for faster checkout.