Welcome,
My Cart
0 item(s)

Models

Parts


product name

Duerr 241-521-003 (1991) Lawn Tractor

Model: 241-521-003 (1991)

Back To Assemblies

Save
Part Not Listed?Part Not Listed?

product name

Parts

...
...
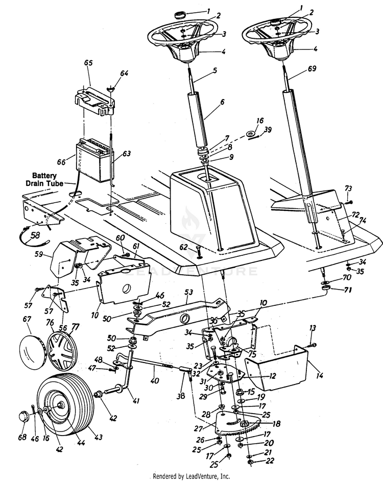
1
Steering Wheel Cap MTD-931-0220

...
2
Hex L-Nut 5/16-24 Thd. MTD-712-0237

...
3
Bell-Wash. .345" I.D. x .88" O.D. MTD-736-0242

...
4
STEERING WHEEL MTD-731-0805

...
5
STEERING SHAFT (Models 510, 520, 530 & 550 only) MTD-738-0700

...
6
STEERING TUBE SPACER (Models 510, 520, 530 & 550 only) MTD-750-0568

...
7
STEERING SPACER (Models 510, 520, 530 & 550 only) MTD-731-0651

...
8
Fl-Wash. .635" I.D. x 1.24" O.D. (Models 510, 520, 530 & 550 only) MTD-736-0187

...
9
FLANGE BEARING (Models 510, 520, 530 & 550 only) MTD-941-0225

...
10
PIVOT BAR BRACKET MTD-15613A

...
12
STEERING GEAR SUPPORT BRKT. MTD-17653A

...
13
Hex Screw, 1/4-14 x 0.625" MTD-710-0896

...
14
COVER-STEER GEAR MTD-15608

...
15
FLANGE BEARING MTD-941-0225

...
16
Fl-Wash. .640" I.D. x 1.5" O.D. MTD-736-0285

...
17
Fl-Washer 3/8" I.D. x 1.37" O.D. MTD-736-0320

...
18
PINION GEAR MTD-948-0290

...
19
FLAT WASHER .510 x .995 MTD-736-0272

...
20
Hex L-Nut 3/8-24 MTD-712-0116

...
21
FLAT WASHER MTD-736-0275

...
22
Hex Nut 5/16-24 Thd. MTD-912-3057

...
23
Hex Cap Screw 3/8-24 x 1.5 MTD-710-0459A

...
25
Hex Nut 3/8-24 Thd. MTD-712-0241

...
26
L-Wash. 3/8" I.D. MTD-736-0169

...
27
STEERING SEGMENT MTD-917-0472A

...
28

...
29
Hex Bolt (Nylon) 1/2-13 x .75" MTD-710-0689

...
30
Fl-Wash. .530" I.D. x .930" MTD-736-0160

...
31

...
32
Bell-Wash. .385" I.D. x .88" MTD-736-0105

...
xx
Hex Nut 3/8-24 Thd. MTD-712-0241

...
34
Lock Wash. 5/16" I.D. MTD-936-0119

...
35
HEX NUT 5/16-18 MTD-712-3010

...
36
SPRING WASHER .317 X .625 X .020 MTD-936-0271

...
38
Ball Joint MTD-923-0156

...
39
Cotter Pin 1/8" Dia. x 1.00" Lg. (Models 510, 520, 530 & 550 only) MTD-714-0115

...
40
ROD-STEER TIE MTD-747-0417

...
41
Front Axle Ass'y. - R.H. MTD-983-0012

...
xx
AXLE ASSEMBLY (LH) (Not Shown) MTD-983-0011

...
42
Flange Bearing MTD-NA

...
xx
Flange Bearing .632 ID MTD-741-0487C

...
xx

...
43
Front Wheel Ass'y. Comp. MTD-NA

...
xx
WHEEL ASSEMBLY (11 x 4-4) MTD-634-0147

...
xx
WHEEL ASSEMBLY (11 x 4-4) MTD-634-0147

...
44
Front Wheel Rim Only MTD-NA

...
xx
11 x 4.0 RIM ONLY MTD-734-1455

...
xx
WHEEL RIM MTD-734-1683

...
46
Cotter Pin 1/8" Dia. x 1.25" MTD-714-0470

...
47
Cotter Pin 1/8" Dia. x 1.00"* MTD-714-0115

...
48
Fl-Wash. .385" I.D. x .37" MTD-736-0300

...
50
FLANGE BEARING MTD-941-0225

...
52
Fl-Wash. .635" I.D. x 1.12" MTD-736-0156

...
53
Pivot Bar Ass'y. MTD-15610C-0637

...
56
BRACKET-RE MTD-15694A

...
57
Hex Screw, 1/4-14 x 0.625" MTD-710-0896

...
58
Push Mount Cable Tie MTD-926-0154

...
59
PEDAL ASSEMBLY MTD-17677

...
60
Hex Bolt 5/16-18 x .75" Lg. MTD-710-0118

...
61
BRACKET REINFORCEMENT - L.H MTD-15699A

...
62
Hex Bolt 5/16-18 x .75" Lg. MTD-710-0118

...
63
HOLD DOWN BATTERY ROD MTD-911-0222A

...
64
Wing Nut 1/4-20 Thd. MTD-912-0113

...
65
BATTERY COVER MTD-731-0708

...
66

...
67
CHROME HUB CAP (Optional) MTD-734-1219

...
68
Hub Cap (Optional) MTD-931-0484A

...
69
SHAFT ASSEMBLY (Models 511, 521, 531 & 551 only) MTD-16513

...
70
Fl-Wash. .635" I.D. x 1.24" O.D. (Models 511, 521, 531 & 551 only) MTD-736-0187

...
71
SPACER (Models 511, 521, 531 & 551 only) MTD-950-0532

...
72
REINF. BRKT ASS'Y (Models 511, 521, 531 & 551 only) MTD-16069

...
73
Truss Mach. Scr. 5/16-18 (Models 511, 521, 531 & 551 only) MTD-710-0323

...
74
Hex Bolt 5/16-18 x 2.00" Lg. (Models 511, 521, 531 & 551 only) MTD-710-3103

...
75
GEAR-STEER MTD-17656A

...
76
HUB CAP (Optional) MTD-734-1610

...
xx
HUB CAP (Optional) MTD-734-1502

...
77
SPRING CLIP (Used w/Ref. 76) MTD-727-0425
...
...
...
...
...
Processing