Welcome,
My Cart
0 item(s)

Models

Parts


product name

Duerr 241-521-003 (1991) Lawn Tractor

Model: 241-521-003 (1991)

Back To Assemblies

Save
Part Not Listed?Part Not Listed?

product name

Popular Parts

Popular Parts


Electrical

...
...
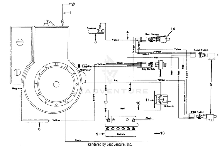
1
6 GA. BLACK WIRE MTD-725-0977

...
2
ELEC. WIRE MTD-725-0424

...
3
SPRING SWITCH MTD-732-0615

...
4
WIRE HARNESS MTD-725-1431

...

...
6
CONVOLUTED CONDUIT MTD-731-0757

...
8
Ignition Switch MTD-925-0267B

...
9

...
10
WIRE W/BOOT MTD-725-0927

...
11

...

...
14
SWITCH-SEA MTD-725-1441
...
...
...
...
...
Processing