Welcome,
My Cart
0 item(s)

Models

Parts


product name

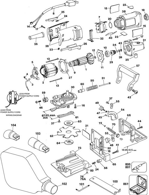
Dewalt D682K-04 Type 1 Jointer

Model: D682K-04 Type 1

Save
Part Not Listed?Part Not Listed?

product name

Dewalt D682K-04 Type 1

...
...

...
xxx

...

...
xxx
Switch, On-Off DWB-5140110-00

...
xxx

...

...
xxx
Label, Warning DWB-147803-01

...
xxx
Brand Label DWB-395047-00

...
xxx
Field 115V DWB-5140071-54

...
xxx
Armature 115V DWB-5140071-54

...
xxx
Gearcase Sa DWB-150323-00SV

...
xxx

...
xxx

...
xxx
Sleeve Bearing DWB-036826-00

...
xxx

...
xxx
Label, Caution DWB-606919-00

...
xxx

...
xxx
Brush 120V DWB-445861-34

...
xxx

...
xxx
Fieldcase DWB-445857-03

...
xxx

...

...
xxx
Washer Spring DWB-385946-00

...
xxx

...
xxx

...
xxx
Screw.Temp DWB-098102-10

...
2
Armature Kit DWB-5140071-54

...
3
Brush 120V DWB-445861-34

...
4
Brush Spring DWB-445860-00


...
7
Switch Kit DWB-5140110-00

...
8

...
9
Bearing, Ball DWB-605040-06

...
10
Bearing, Ball DWB-605040-15

...
11

...
12

...

...
14

...
15
Brand Label DWB-395047-00

...

...

...

...
19


...
21
Nameplate DWB-152755-00

...
22
Warning Label DWB-391373-00

...
23
Warning Label DWB-606919-00

...
24

...
25

...
26

...
27

...
28
Handle & Cover DWB-147727-03

...
29

...
30
Gearcase Cover DWB-NA065769

...
31
Gearcase Cover DWB-150323-00SV

...
32



...
35
Sleeve Bearing DWB-036826-00

...
36
Cord Protector DWB-N447519

...
36
Cord Protector DWB-N542553

...

...
38
Fieldcase DWB-445857-03

...
39

...
40

...

...

...

...

...
45
Screw.Temp DWB-098102-10

...

...
47



...
50

...

...

...

...
54



...
57


...


...
62

...
63


...
65


...

...
72

...
73
Baseplate Sa DWB-385914-00

...

...
80
Washer Spring DWB-385946-00

...
100


...
102

...
103

...
104
Dust Deflector DWB-151002-00

...
176

...
800

...
861
...
...
...
...
...
Processing