Welcome,
My Cart
0 item(s)

Models

Parts


product name

Devilbiss 1WC95 Type 0 Compressor

Model: 1WC95 Type 0

Save
Part Not Listed?Part Not Listed?

product name

Devilbiss 1WC95 Type 0

...
...
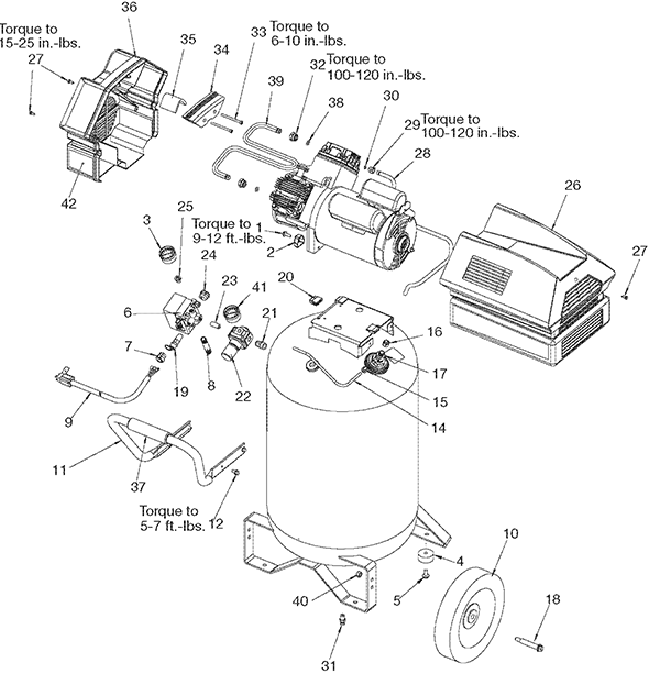
1
Screw .250-20X1.25 U DWB-SSF-990

...
2
Cup Saddle Mount DWB-ACG-18

...
3
Use Z-Ga-373 DWB-GA373

...
4
Bumper Recessed Rubb DWB-SST-107

...
5
Screw .250-20X1.50 H DWB-SSF630

...
6
Pressure Switch DWB-5140112-24

...
7
Connector Conduit 3 DWB-SSW-7482

...
8
Nipple 1/4-18 Npt X DWB-SSP-480

...
9
Assembly Cord Power St DWB-SUDL-413-2

...
10
Wheel 9 Black Semi-P DWB-D23138

...
11
Handle P/L Painted DWB-AC-0609

...
12
Screw .250-14X.500 H DWB-SSF-981

...
14
Tube Pressure Relief DWB-AC-0630

...
15
Assembly Nut Sleeve 1/4 DWB-SSP-7811

...
16
Assembly Nut Sleeve 3/8 DWB-SSP-7813

...
17
Valve Check 1/2Npt X DWB-A19712

...
18
Bolt .375-16X2.25 Un DWB-CAC-60

...
19
Valve Safety 200 .25 DWB-TIA-4200

...
20
Isolator 3Pt Mount 6 DWB-AC-0774

...
21
Body Qc .250 Ind .25 DWB-A19513

...
22
Regulator Rpr Kit DWB-N008792

...
22
Regulator 4Port P2 L DWB-D27253

...
23

...
24

...
24
Heyco Bushings DWB-438010040063

...
25
Bushing Reducer 1/8 DWB-SSP-6021

...
26
Shroud Rear Twin Cyl DWB-DAC243

...
27
Assembly Fastener DWB-ACG-408

...
28
Tube Outlet 2 Stage DWB-AC-0803

...
29
Nut .563-18 Unf Hex DWB-SSP-7821-1

...
30
Oring 306/296Id 073 DWB-SSG-3105

...
31
Drain Valve DWB-N286039

...
32
Nut .750-16 Unf Hex DWB-AC-0780

...
33
Screw #10-14X2.50 Pa DWB-SSF-554

...
34
Cover Intake Muffler DWB-AC-0783

...
35
Element Filter Intak DWB-ACG-12

...
36
Shroud Front Twin Cy DWB-DAC244

...
37
Grip .875 Dia DWB-5140118-36

...
38
O-Ring .362Id X.103W DWB-AC-0781

...
39
Tube Interconnecting DWB-AC0802

...
40
Nut .375-16 Unc-2B H DWB-SSF-8080-ZN

...
41
Gauge 2 Od 300Psi .1 DWB-D21929

Devilbiss 1WC95 Type 0

...
...
101
Assembly Pump 2Stg Twv 1 DWB-ZD24959

...
102
No Longer Available DWB-00000000

...
104
Eccentric Outer 2 St DWB-AC-0793

...
105
Eccentric Pin 2 Stag DWB-AC0794

...
106
Fan Radial 6.0 Od DWB-ACG-22

...
107
Screw .250-20X.625 H DWB-39124607

...
108
Kit Connecting Rod L DWB-KK-4835

...
109
Kit Connecting Rod DWB-A02743

...
109
Ring Comp Pre Formed DWB-DAC-308

...
109
Cap Connecting Rod C DWB-ACG-29

...
109
Screw #10-24X.750 Th DWB-SSF-3158-1

...
110
Kit Comp Ring Hp Rep DWB-K-0648

...
111
No Longer Available DWB-00000000

...
112
Muffler Intake 2 Cyl DWB-ACG-11

...
113
Oring 2.759/2.719Id DWB-SSG-8156

...
114
Assembly Valve Plate DWB-Z-AC-0032

...
115
Oring P/L Head DWB-ACG-45

...
116
Head Gasket DWB-N015593

...
118
Head Machine High Pr DWB-AC0784

...
119
Screw .250-20X1.25 H DWB-AC-0798

...
856
Kit Connecting Rod H DWB-K0649

...
856
Kit Comp Ring Replac DWB-K-0650
...
...
...
...
...
Processing