Welcome,
My Cart
0 item(s)

Models

Parts


product name

Cub Cadet CC500EL 18A-182 (2010) 18A-182-710 (2010) Mower

Model: CC500EL 18A-182 (2010) 18A-182-710 (2010)

Save
Part Not Listed?Part Not Listed?

product name

.Quick Reference 18A-182

...
...
xx
DPDT SWITCH MTD-725-04435

...
xx
BUTTON PLUNGER SWITCH MTD-725-04436

...
xx
CIRCUIT BREAKER MTD-925-1712

...
xx
35 Amp Rectifer MTD-925-1715

...
xx
Battery Level Indicator MTD-NA

...
xx
Battery MTD-NA

...
xx
Battery Charger MTD-NA

...
xx
Ignition Switch Key MTD-NA

...

...
xx
Blade Bolt MTD-624-0078

...
xx
Blade Lock Plate MTD-782-7051

...
xx
Deck Wheels (Front) MTD-634-04346

...
xx
Deck Wheels (Back) MTD-634-04347

...
xx
Trail Shield MTD-731-05639A

...
xx
Side Discharge Chute MTD-731-04177

...
xx

...
xx
Side Mulch Plug MTD-987-02055

...
xx
MULCH PLUG MTD-731-05746

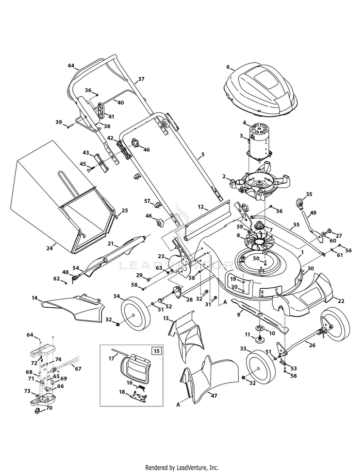
General Assembly 18A-182

...
...
1
19" DECK SHELL (CUB YELLOW 2) MTD-787-01649-4021

...
2
MOTOR BRACKET MTD-731-05727

...
3
Screw, 1/4-15 x .750 MTD-710-0895

...
4
MOTOR ASSEMBLY- MTD-924-04010

...
4
Rectifier Not Shown MTD-925-1715

...
4
RECTIFIER BRACKET Not Shown MTD-787-01421

...
5
Lower Handle MTD-749-04312

...
6
ELECTRIC SHROUD MTD-731-05749

...
7
Blade Hub MTD-631-04228

...
8
Electric Fan MTD-731-05832

...
9
Mulching Blade MTD-942-04152

...
10
Blade Locking Plate MTD-782-7051

...
11
Blade Bolt Assembly MTD-624-0078

...
12
Trail Shield MTD-731-05639A

...
13
MULCH PLUG MTD-731-05746

...
14
Side Discharge Chute MTD-731-04177

...
15
Mulch Plug (Incl. 16-18) MTD-987-02055

...
16
Torsion Spring MTD-732-1014C

...
17
Hinge Pin MTD-747-0710A

...
18
PLATE-ADAPTER MTD-17032A

...
19
SPRING WASHER BELL MTD-736-0270

...
20

...
21
REAR DECK DOOR MTD-931-05686

...
22
Front Cover MTD-931-05634

...
23
Handle Bracket - RH MTD-687-02325-0637

...
23
Handle Bracket - LH MTD-687-02324-0637

...
24

...
25
GRASSBAG FRAME ASSEMBLY (POWDER BLACK) MTD-647-04107-0637

...
26
Front Bracket Assembly MTD-687-02225-0637

...
27
Screw, Shoulder, .50 x .66 MTD-938-0148

...
28
Rear Bracket Assembly MTD-687-02228-0637

...
29
Screw, 5/16-18 x .625 MTD-710-3025

...
30
Screw, 5/16-14 x .750 MTD-710-1242

...
31
Nut, Flange Lock, 5/16-18 MTD-712-04063

...
32
Nut, Flange Lock, 3/8-16 MTD-712-04065

...
33
Front Wheel MTD-634-04346

...
34
Rear Wheel MTD-634-04347

...
35
Foam Grip MTD-720-04096

...
36
Nut, Hex Lock, 1/4-20 MTD-712-0324

...
37

...
38
Motor/Blade Control MTD-925-04035

...
39
Screw, Flat, 1/4-20 x 1.75 MTD-753-04430

...
40
GUIDE ROD MTD-747-04672

...
41
CORD RESTRAINT MTD-726-0368

...
42
Lower Handle Insulator MTD-731-05186

...
43
Upper Handle Insulator MTD-731-05178

...
44
ELECTRIC BAIL MTD-747-04663A

...
45
Bolt Carriage, 5/16-18 x 2.50 MTD-710-0572

...
46
Star Knob MTD-720-04072A

...
47
DECK BAFFLE MTD-731-05710A

...
48
Door Torsion Spring - RH MTD-732-04534

...
48
Door Torsion Spring - LH MTD-732-04535

...
49
HEIGHT CONTROL LEVER MTD-732-04377C

...
50
Screw, 5/16-12 x .750 MTD-710-0726

...
51
Washer, Wave, .510 x .750 x .017 MTD-936-0504

...
52
Shoulder Bolt .50" Dia. MTD-738-0507B

...
53
Bushing, Lock, .505 Dia. X .62 MTD-741-0492A

...
54
DECK DOOR PIVOT ROD MTD-747-04589

...
55
CROSS BRACKET MTD-749-04356-0637

...
56
Screw, Shldr., 1/4-20 x .50 MTD-738-04278

...
57
Cable Guide MTD-731-2422

...
58
Screw, 1/4-15 x 1.000 MTD-710-1241

...
59
SPACER-.515 x 1.00 x .310 MTD-731-05880

...
60
Bell Washer MTD-736-0255

...
61
Washer, Wave, .390 x .825 x .016 MTD-736-04413

...
62
Nut, Speed MTD-726-0201

...
63
Screw, #10-16 x .500 MTD-710-0779A

...
64
Screw, 10-9 x .50 MTD-1755

...
65
Switch Pivot Shaft MTD-711-1145

...
66
DPDT SWITCH MTD-725-04435

...
67
WALK BEHIND HARNESS MTD-725-04449

...
68
WIRE JUMPER MTD-725-04499

...
69
CIRCUIT BREAKER MTD-925-1712

...
70
Bail Lock Clip MTD-731-1571A

...
71
Bail Lock Button MTD-731-1572

...
72
COMPRESSION SPRING MTD-732-04427

...
73
Torsion Spring MTD-732-0741A

...
74
SWITCHBOX LEVER MTD-787-01466A

Label Map 18A-182

...
...
777S32911
LABEL-CUT FINGER UL ELEC/BATT MWR MTD-777S32911

...
777I22747
LABEL-SWITCH START UL ELEC MWR MTD-777I22747

...
777I22813
LABEL-BREAKER RESET UL ELC/BAT MWR MTD-777I22813

...
777D14228
LABEL-CC500 EL 12 AMP MTR SHROUD MTD-777D14228

...
777I22946
LABEL-MOWER HEIGHT ADJ MTD-777I22946
...
...
...
...
...
Processing