Models
Parts
Model: CC500 11A-18M9, 11A-18M9010 (HM 2012)
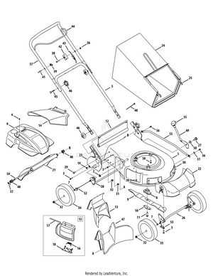
CC500 General Assembly
5P65M0B Air Cleaner
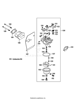
5P65M0B Carburetor
5P65M0B Crankcase
5P65M0B Crankshaft
5P65M0B Cylinder Head
5P65M0B Flywheel & Shroud
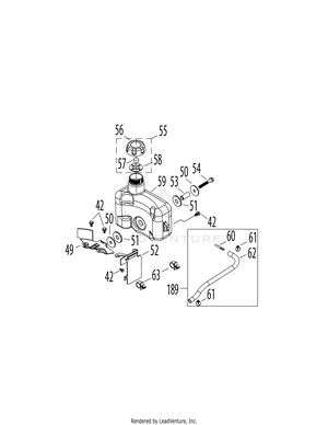
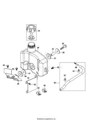
5P65M0B Fuel Tank
5P65M0C Air Cleaner
5P65M0C Carburetor
5P65M0C Crankcase
5P65M0C Crankshaft & Crankcase Cover
5P65M0C Cylinder Head
5P65M0C Flywheel & Shroud
5P65M0C Fuel Tank & Mounting
Model: 1AHF08390
In Stock
Replaced By :
Please call us at 866-243-2721 or talk with us by sending us more information. We want to verify availability before placing your order.
For Customer Service inquiries please E-mail info@partswarehouse.com, Call 866.243.2721 or Text 972.383.9129
Mon - Sat 7AM - 7PM CT
Mon - Sat 6AM-2AM CT
Track your order
Reviews
FAQs
Price Match Guarantee
Sign in for faster checkout.