Models
Parts
Model: CC46ES 12AE46JA/JA009/JA010 (HM 2012)
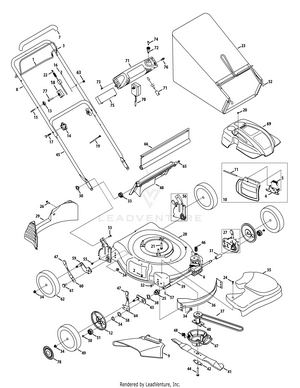
CC46ES General Assembly (CUB Engine)
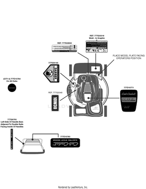
Label Map 12AE46JA
2P70M0D Air Cleaner
2P70M0D Carburetor
2P70M0D Crankcase
2P70M0D Crankshaft & Crankcase Cover
2P70M0D Cylinder Head
2P70M0D Flywheel & Shroud
2P70M0D Fuel Tank & Mounting
2P70M0D Starter
Model: 1AHF08390
In Stock
Replaced By :
Please call us at 866-243-2721 or talk with us by sending us more information. We want to verify availability before placing your order.
For Customer Service inquiries please E-mail info@partswarehouse.com, Call 866.243.2721 or Text 972.383.9129
Mon - Sat 7AM - 7PM CT
Mon - Sat 6AM-2AM CT
Track your order
Reviews
FAQs
Price Match Guarantee
Sign in for faster checkout.