Welcome,
My Cart
0 item(s)

Models

Parts


product name

Cub Cadet CC46ES 12AE46JA (HM 2011) 12AE46JA009 (HM 2011) 12AE46JA010 (HM 2011) Mower

Model: CC46ES 12AE46JA/JA009/JA010 (HM 2011)

Back To Assemblies

Save
Part Not Listed?Part Not Listed?

product name

Popular Parts

Popular Parts


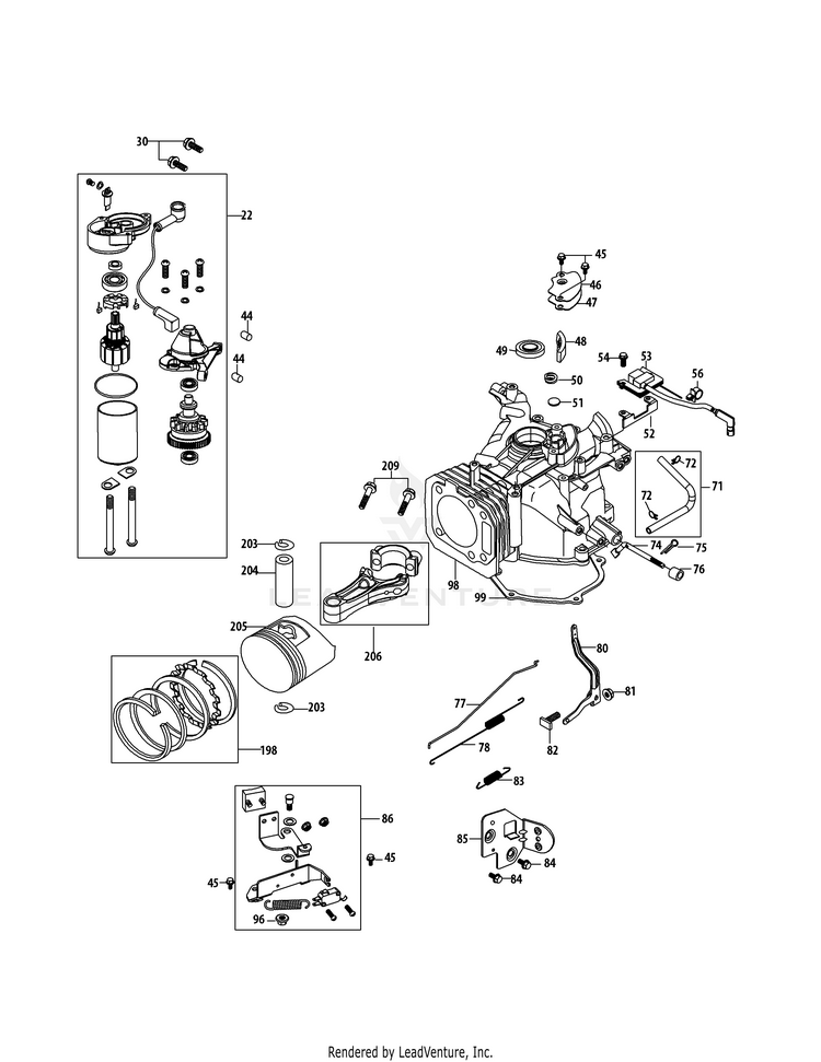
2P70M0C Crankcase

...
...
22
Electrical Starter Assembly MTD-951-12457

...
30
Bolt M6×30 MTD-710-04969

...
44
DOWEL PIN MTD-715-04088A

...
45
Bolt M6×14 MTD-710-04916

...
46
Breather Cover Plate MTD-951-11728

...
47
Breather Gasket MTD-951-11729

...
48
BREATHER SCREEN MTD-951-11762

...
49
LOWER CRANKSHAFT SEAL MTD-951-11545A

...
50
Breather Spring MTD-732-04718

...
51
Breather Valve MTD-951-11614

...
52
IGNITION COIL BRACKET MTD-951-11619

...
53
Ignition Coil Assembly MTD-951-10854

...
54
Bolt M6×18 MTD-710-04979

...
56
PLASTIC CLAMP 6.3 x 8 MTD-951-11618

...
71
Breather Hose Assembly MTD-951-11260

...
72
Breather Hose Clamp MTD-726-04101

...
74
GOVERNOR ARM SHAFT MTD-951-11621

...
75
Cotter Pin MTD-714-04078

...
76

...
77
Throttle Linkage MTD-951-11259

...
78
THROTTLE SPRING MTD-951-11258A

...
80
Governor Arm MTD-951-11238

...
81

...
82
Governor Arm Bolt MTD-710-04908

...
83
Governor Spring MTD-951-11273

...
84
Bolt M6×12 MTD-710-04915

...
85
PRIMER BRACKET MTD-951-12472

...
86
BRAKE ASSEMBLY MTD-951-10858B

...
96
Brake Arm Nut MTD-712-04219

...
98
SHORTBLOCK ASSEMBLY (Incl.45-49,51,61,74-76,95,99,100,101,105,114-119,129-131,139,168,169,185,188,193,196-198,203-206) MTD-951-10857B

...
99
Crankcase Cover Gasket MTD-951-11763

...
198
PISTON RING SET MTD-751P12111A

...
203
PISTON PIN SNAP RING MTD-951-11632

...
204
PISTON PIN MTD-951-11633

...
205

...
206
CONNECTING ROD ASSEMBLY MTD-951-11768

...
209
CONNECTING ROD BOLT MTD-710-05162

...
xx
GASKET KIT (COMPLETE) Not shown, (Incl.47,49,76,99,105,115,131,167,169,185,188,193) MTD-951-10416A

...
xx
Gasket Kit - External Not shown, (Incl.47,105,115,167,169,185,188) MTD-951-10417A

...
xx
COMPLETE ENGINE 173cc Not shown MTD-952Z2P70MU
...
...
...
...
...
Processing