Models
Parts
Model: CMXGBAM1413943 31AH5FSG793 (2019)
.Quick Reference
2-Way Chute Control
Auger Gearbox Assembly
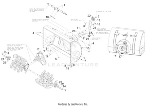
Auger Housing
Chute
Chute Adapter
Chute Cable Guide
Chute Gearbox Assembly
Engagement Handles
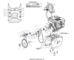
Engine Drive
Friction Wheel Assembly
Handle
Handle Panel
Impeller
Label Map
Planetary Shaft Assembly
Shift Rod
Slide Shoes
Steering Triggers
Transmission
Wheels & Axle
675-SU 272cc Engine
Model: 1AHF08390
In Stock
Replaced By :
Please call us at 866-243-2721 or talk with us by sending us more information. We want to verify availability before placing your order.
For Customer Service inquiries please E-mail info@partswarehouse.com, Call 866.243.2721 or Text 972.383.9129
Mon - Sat 7AM - 7PM CT
Mon - Sat 6AM-2AM CT
Track your order
Reviews
FAQs
Price Match Guarantee
Sign in for faster checkout.