Models
Parts
Model: 55AC5GMR099 (247.889360) (2009)
.Quick Reference
Brake Assembly
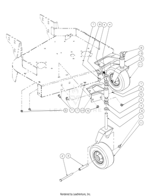
Caster Assembly
Chute Assembly
Cover Assembly
Deck Assembly
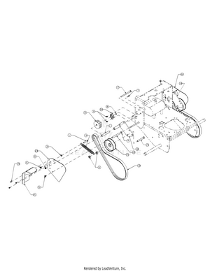
Drive Assembly
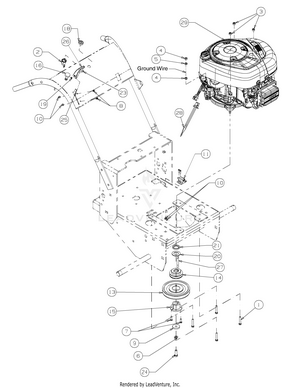
Engine Assembly
Engine Deck Assembly
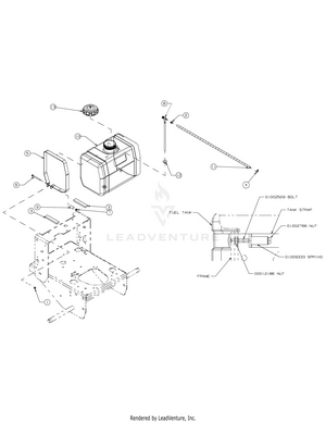
Fuel Tank Assembly
Handle Assembly
Spindle Assembly
Transmission Assembly
59A50001799 (333170) (2009)
59A50002799 (333180) (2009)
Model: 1AHF08390
In Stock
Replaced By :
Please call us at 866-243-2721 or talk with us by sending us more information. We want to verify availability before placing your order.
For Customer Service inquiries please E-mail info@partswarehouse.com, Call 866.243.2721 or Text 972.383.9129
Mon - Sat 7AM - 7PM CT
Mon - Sat 6AM-2AM CT
Track your order
Reviews
FAQs
Price Match Guarantee
Sign in for faster checkout.