Welcome,
My Cart
0 item(s)

Models

Parts


product name

Craftsman 41AZ63NQ799 (316.341070) Electric Chainsaws

Model: 41AZ63NQ799 (316.341070)

Save
Part Not Listed?Part Not Listed?
product name

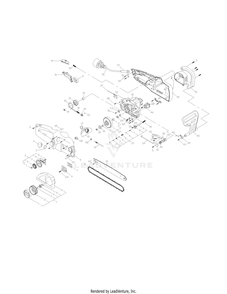
General Assembly

...
...
1

...
2
COVER ASSEMBLY CHAIN MTD-MC-6228-211504




...
6

...
7

...

...


...
12
PIPE ASSEMBLY-OIL MTD-MC-6228-211506


...
14
SWITCH BUTTON MTD-MC-6056-211503

...





...
20
BRAKE SPRING MTD-MC-6079-211501


...
22
COVER-ADJUSTMENT MTD-MC-6059-210201


...
24

...
25


...
27
GEAR BEARING ASS'Y MTD-MC-6228-210104



...
30
RING-RETAINER MTD-MC-6CC-10


...
33
LUBRICANT PUMP ASS'Y MTD-MC-6228-210105

...

...
35







...


...
44

...
45

...
46
FIXED ASSEMBLY MTD-MC-6228-211303



...
50

...
51

...
52
MTR GRBX ASSEMBLY MTD-MC-6228-211301P



...
55

...
56

...
57

...
58










...
...
...
...
...
Processing