Welcome,
My Cart
0 item(s)

Models

Parts


product name

Craftsman 41AD330C799 (316.79108) Gas String Trimmer

Model: 41AD330C799 (316.79108)

Back To Assemblies

Save
Part Not Listed?Part Not Listed?

product name

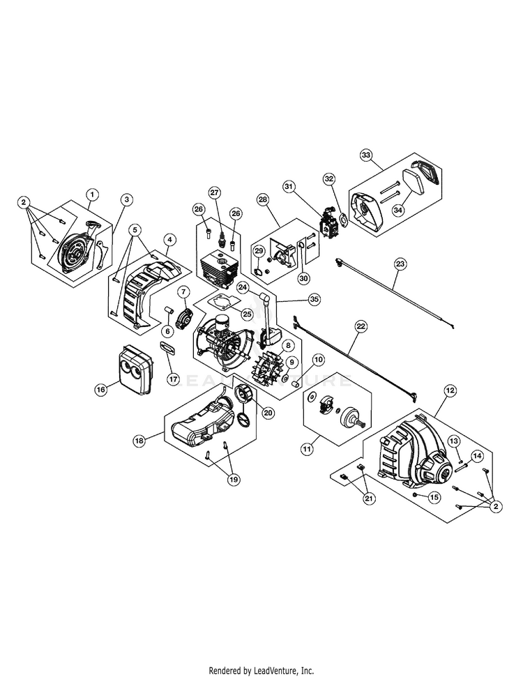
Engine Assembly

...
...
1
Rear Cover Assembly (Incl. Ref No. 2 & 3) MTD-753-06282

...
2
SCREW:10-32X.5 MTD-1964

...
3
Starter Assembly Guard (Incl. Ref No. 2) MTD-753-06244

...
4
REAR ENGINE COVER (Incl. Ref No. 5) MTD-753-06245

...
5
Cover Screw MTD-791-181345

...
6

...
7
Pawl Assembly MTD-753-06091

...
8
Flywheel Assembly MTD-753-06246

...

...
10

...
11
Clutch Assembly MTD-753-05860

...
12
CLUTCH COVER ASSEMBLY SRS (Incl. Ref No. 2, 13-15 & 21) MTD-753-06285

...
13
Anti-Rotation Screw MTD-791-182519

...
14

...
15

...
16
MUFFLER ASSEMBLY MTD-753-08745

...
17
Muffler gasket MTD-753-04619

...
18
Fuel Tank Assembly (Incl. Ref No. 19 & 20) MTD-753-06250

...
19
Tank Screw MTD-791-181930

...
20

...
21
U-Shaped Nut MTD-791-182366

...
22
Lead Wires MTD-753-05877

...
23
Throttle Cable MTD-753-06251

...
24
Module Assembly MTD-753-06303

...
25
Cylinder Gasket MTD-753-06252

...
26
Cylinder Bolt MTD-710-04715

...
27
Spark Plug MTD-753-06847

...
28
Insulator Assembly (Incl. Ref No. 29) MTD-753-06189

...
29
Insulator O-Ring MTD-753-06184

...
30
Carburetor O-Ring MTD-753-06185

...
31
Carburetor MTD-753-06288

...
32
Carburetor Gasket MTD-753-06253

...
33
Aircleaner Assembly (Incl. Ref No. 34) MTD-753-06289

...
34
Aircleaner Filter MTD-753-06085

...
35
Shortblock Assembly (Incl. Ref No. 8-10 &24-27) MTD-753-06291
...
...
...
...
...
Processing