Welcome,
My Cart
0 item(s)

Models

Parts


product name

Craftsman 24AA561C099 (247.794510) (1999) Log Splitter

Model: 24AA561C099 (247.794510) (1999)

Save
Part Not Listed?Part Not Listed?

product name

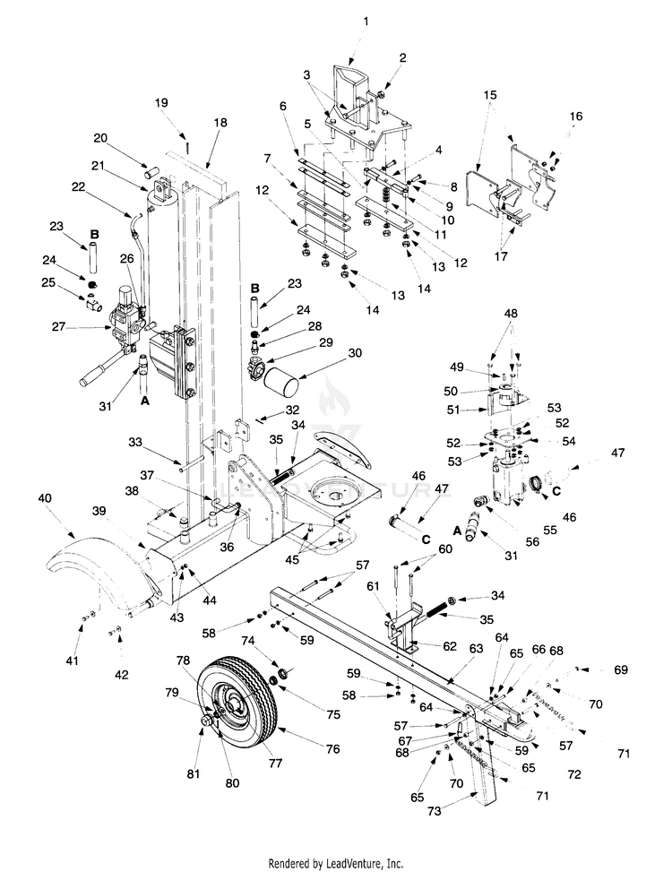
General Assembly

...
...
1
Wedge Assembly MTD-753-04120

...
2
Lock Nut 1/2-20 MTD-712-0239

...
3
Hex Cap Screw 1/2-20 x 2.75 MTD-710-1018

...
4
Floating Gib Plate MTD-781-0356

...
5
Adjustable Gib MTD-781-0351

...
6
ADJUSTABLE GUB SHIM MTD-781-0352A-0637

...
7
Fixed Gib MTD-781-0350A

...
8
Hex Cap Screw 3/8-24 x 1.5 MTD-710-0459A

...
9
Hex Jam Nut, 3/8-24 MTD-912-3001

...
10

...
11
Flat Washer .531 x .93 x .090 MTD-736-0192

...
12
Back Bracket MTD-781-0537

...
13
Lock Washer 1/2 MTD-736-0921

...
14
Lock Nut 1/2-20 MTD-712-0239

...
15
STRIPPER HALF MTD-781-0168A

...
16
Lock Nut 3/8-16 MTD-712-0130

...
17
Hex Cap Screw 3/8-16 x 2.5 MTD-710-0859

...
18
BEAM ASSEMBLY MTD-681-0126

...
19
Cotter Pin MTD-714-0211

...
20
Clevis Pin MTD-711-1135

...
21
HYDRAULIC CYLINDER 4.5" MTD-918-0306

...
22
HYDRAULIC TUBE MTD-727-0471

...
23
Return Hose 3/4" ID x 44" Lg MTD-727-0443

...
24
Hose Clamp 5/8" MTD-726-0132

...
25
Return Elbow MTD-737-0153

...
26
90 Degree Solid Male Adapter MTD-737-0192

...
27
Control Valve MTD-918-0481A

...
28
HOSE BARB-3/4 IN MTD-737-0235

...
29
FILTER HOUSING MTD-681-0179

...
30
FILTER ELEMENT (10 MICRON LFP-1652) MTD-723P0405

...
31
High Pressure Hydraulic Hose MTD-727-0502

...
32
Cotter Pin 1/8" Dia MTD-714-0470

...
33
HINGE PIN MTD-738-0805

...
34
Push Cap MTD-726-0214

...
35
Comp. Spring 4" Lg. MTD-732-0583

...
36
Flat Washer .635 ID X .93 OD MTD-736-0116

...
37
Locking Rod MTD-781-0690

...
38
Vented Dipstick MTD-737-0348A

...
39
FRAME WELDMENT (4 GAL.) MTD-681-0092A

...
40
LOGSPLITTER FENDER MTD-781-04000

...
41
Hex Cap Screw 5/16-24 x .75 MTD-710-0157

...
42
5/16 Washer MTD-736-0159

...
43
Lock Wash. 5/16" I.D. MTD-936-0119

...
44
Hex Nut 5/16-24 Thd. MTD-912-3057

...
45
Hex Washer Screw 3/8-16 x 1.0 MTD-710-0654A

...
46
Hose Clamp MTD-726-0174

...
47
SUCTION HOSE MTD-735-0256

...
48
SCREW 5/16-24X3.25 GR5 MTD-710-1338

...
49
Sq. Key 3/16" x .75 MTD-714-0122

...
50
Flexible Coupling MTD-918-0250A

...
51
Coupling Shield MTD-719-0353

...
52
Lock Wash. 5/16" I.D. MTD-936-0119

...
53
Hex Nut 5/16-24 Thd. MTD-912-3057

...
54
Rear Coupling Support Bracket MTD-781-0097-0637

...
55
Gear Pump (11 GPM) MTD-753-05194

...
56
45 DEGREE PIPE ELBOW MTD-737-0329

...
57
Hex Bolt 3/8-16 x 3" Lg. MTD-710-0521

...
58
Hex Nut 3/8-16 MTD-712-0798

...
59
L-Washer 3/8" 10 MTD-736-0169

...
60
Hex Bolt 3/8-16 x 4" Lg. MTD-710-0411

...
61
Locking Rod MTD-781-0690

...
62
BEAM SUPPORT ASSEMBLY (POWDER BLACK) MTD-681-0110-0637


...
64
Flat Washer 3/8 MTD-736-0185

...
65
Hex Lock Nut 3/8-16 MTD-712-0375

...
66
CLEVIS PIN 5/16 x 2.5 MTD-911-0813

...
67
Spring Pin MTD-732-0194

...
68
Spacer 3/8" ID x .625' OD MTD-750-0497

...
69
Hex Bolt 3/8-16 x 4" Lg. MTD-710-0944

...
70
Flat Washer 3/8" ID x .87" OD MTD-736-0262

...
71
LOGSPLITTER TOW CHAIN MTD-713-0433A

...
72
COUPLER-HITCH 1-7 MTD-727-0311

...
73
JACK STAND MTD-781-0162

...
74
Dust Seal MTD-921-0168

...
75
Cone Bearing MTD-941-04298

...
76
Wheel Asm Comp - Gray MTD-634-0186

...
xx
Tire 16 x 4.6 MTD-734-0872

...
xx
RIM ASSEMBLY (3.75 x 8.0) (GRAY) MTD-634-0188

...
xx
TUBELESS VALVE MTD-934-0255

...
77
Bearing Cup MTD-741-0988

...
78
Flat Washer .76" ID x 1.5" OD MTD-736-0351

...
79
Slotted Nut 3/4-16 MTD-712-0359

...
80
Cotter Pin 5/32" x 1-1/4" Lg. MTD-714-0162

...
81
...
...
...
...
...
Processing