Welcome,
My Cart
0 item(s)

Models

Parts


product name

Craftsman 247.886400 31AS5BHE799 (2018) Snow Thrower

Model: 247.886400 31AS5BHE799 (2018)

Back To Assemblies

Save
Part Not Listed?Part Not Listed?

product name

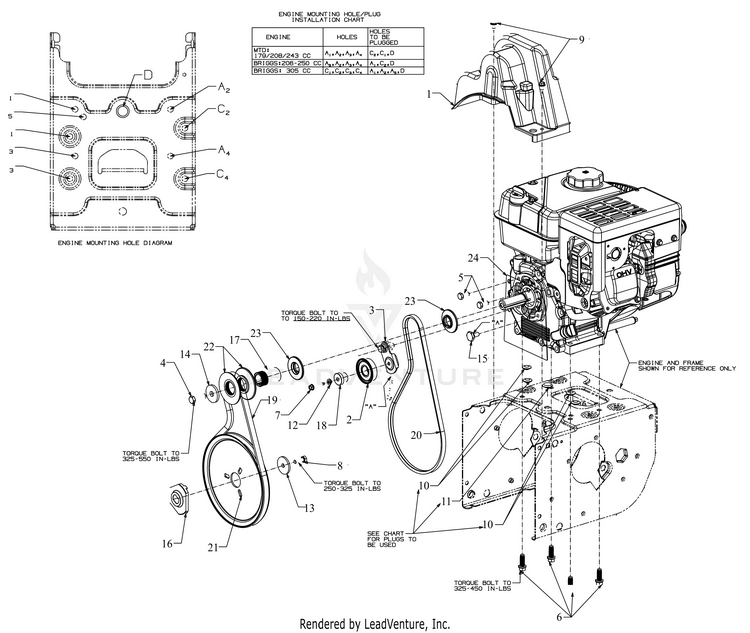
Engine Drive

...
...
1
BELT COVER SERVICE KIT (631-05322) MTD-753-09064

...
1
HEX SCREW #12-16 x .50 (Not Shown) MTD-710-04261

...
2
IDLER PULLEY ASSEMBLY MTD-684-04169

...
2
BEARING SLEEVE (Not Shown) MTD-790-00230

...
2
BALL BEARING (Not Shown) MTD-741P0919B

...
3
ENGINE IDLER ASSEMBLY (Components Only) MTD-NA

...
3
SCREW 5/16-24 x 1.25 GR5 MTD-710-0672

...
3
TORSION SPRING MTD-732-04308C

...
3
LOCK WASHER 5/16 MTD-936-0119

...
3
SHOULDER SPACER MTD-748-04112B

...
3
IDLER BRACKET MTD-790-00208D

...
3
Nut, Push-on, .25 Dia. MTD-726-04012

...
3
IDLER BRACKET SPACER .340X.750X.330 MTD-750-04477A

...
4
SCREW 3/8-24X1.25 MTD-710-0191

...
5
SCREW 5/16-24 x .750 GR5 MTD-710-0627

...
6
SCREW 3/8-16 x 1 MTD-710-0654A

...
7
SCREW 1/4-20 x 1.25 MTD-710-0809

...
8
SCREW 5/16-24 x .875 GR5 MTD-710-1245B

...
9
SCREW 1/4-20X.625 MTD-710-1652

...
10
PLUG-3/8 DIA ID x 3/32 MTD-735-04099

...
11
PLUG-1/2 ID x 3/32 MTD-735-04100

...
12
LOCK WASHER MTD-936-0329

...
13
FLAT WASHER MTD-736-0505

...
14
FLAT WASHER .45 x 1.5 x .172 HT MTD-736-3082A

...
15
SHOULDER SCREW MTD-738-04439

...
16
ADAPTER PULLEY .75 DIA W/DD MTD-748-04053A

...
17
PULLEY SPACER MTD-750-04303

...
18
SHOULDER SPACER MTD-750-04571

...
19
V-BELT .500 x 35. MTD-954-04050A

...
19
Cub Cadet AUGER BELT Retail Packaged Part MTD-490-501-C079

...
19
Genuine Factory Parts AUGER BELT Retail Packaged Part MTD-256963

...
20
V-BELT 3L x 34.18 MTD-954-04260

...
20
Cub Cadet TRANSMISSION BELT Retail Packaged Part MTD-490-501-C005

...
20
Troy-Bilt TRANSMISSION BELT (04260) Retail Packaged Part MTD-490-501-Y005

...
21
AUGER PULLEY MTD-756-04109

...
22
HALF PULLEY A2.76 x 1.140 SPLINE MTD-756-06563

...
23
HALF PULLEY-3/8 V x 1.7160 MTD-756-04252

...
24
COVER PLATE (POWDER BLACK) MTD-790-00289B-0637
...
...
...
...
...
Processing