Welcome,
My Cart
0 item(s)

Models

Parts


product name

Craftsman 245-638-099 (247. 345310) (1995) Log Splitter

Model: 245-638-099 (247. 345310) (1995)

Save
Part Not Listed?Part Not Listed?

product name

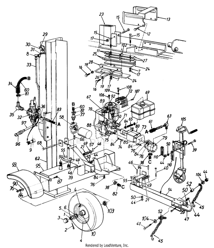
General Assembly

...
...
1
Slotted Nut 3/4-16 Thd. MTD-712-0359

...
2
Cotter Pin 5/32" Dia. MTD-714-0162

...
3

...
4
Wheel Assembly MTD-634-0186

...
xx
Tire Only MTD-734-0872

...
xx
RIM ASSEMBLY (3.75 x 8.0) (GRAY) MTD-634-0188

...
xx
TUBELESS VALVE MTD-934-0255

...
5
Fl-Wash. .76" I.D. x 1.5" O.D. MTD-736-0351

...
6
Cone Bearing MTD-941-04298

...
7
L-Wash. 1/2" I.D. For faster service obtain standard nuts, bolts and washers locally. If these items cannot be obtained locally, order by part number and size as shown on parts list. MTD-736-0921

...
8
90ø Solid Male Adaptor MTD-737-0192

...
9
Pipe Nipple 1/2 NPT MTD-737-0238

...
10
Bearing Cup MTD-941-04299

...
11
Fl-Wash. .531" I.D. x .94" O.D. MTD-736-0192

...
12
Hex Cap Scr. 3/8-16 x 1" Lg. MTD-710-0514

...
13
Dislodger MTD-781-0525

...
15
Hex Bolt 1/2-20 x 2.75" Lg. (Grade 8) MTD-710-1018

...
16
Hex Cap Screw 3/8-24 x 1.5 MTD-710-0459A

...
17
Hex L-Nut 1/2-20 Thd. MTD-712-0239

...
19
Hex Jam Nut, 3/8-24 MTD-912-3001

...
21
Comp. Spring 4" Lg. MTD-732-0583

...
23
Wedge Assembly MTD-753-04120

...
24
Back Plate MTD-781-0537

...
25
Fixed Side Gib MTD-781-0350A

...
26
Adjustable Gib MTD-781-0351

...
27
ADJUSTABLE GUB SHIM MTD-781-0352A-0637

...
28
Floating Gib Plate MTD-781-0356

...
29
External Cotter Pin MTD-714-0203

...
30
PIN-CYLINDER MTG MTD-715-0216

...
31
CYLINDER-HYDRO-5.0 MTD-718-0247

...
32
Control Valve MTD-918-0481A

...
33
Metal Pressure Tube MTD-727-0323

...
34
Hose Guard, 44" MTD-781-0526A

...
35
Return Elbow MTD-737-0153

...
36

...
37
HOSE BARB-3/4 IN MTD-737-0235

...
38
Hose Clamp 1.5" O.D. MTD-726-0174

...
39
Hex bolt 3/8-16 x 3" Lg. (Grade 8) MTD-710-0521

...
40
SCREW 3/8-16 x 4.75 GR5 MTD-710-3153

...
41
Hex Bolt 3/8-16 x 4.25" Lg. MTD-710-0944

...
44
Hex Nut 3/8-16 Thd. MTD-712-0798

...
45
LOGSPLITTER TOW CHAIN MTD-713-0433A

...
46
ROLL PIN MTD-715-0116

...
47
COUPLER-HITCH 1-7 MTD-727-0311

...
49
Fl-Wash. .635" I.D. x .93" O.D. MTD-736-0116

...
50
L-Wash. 3/8" I.D. For faster service obtain standard nuts, bolts and washers locally. If these items cannot be obtained locally, order by part number and size as shown on parts list. MTD-736-0169

...
52
Spacer .445" Lg. MTD-750-0497

...
54
TUBE ASSEMBLY-TONGUE COLOR MTD-781-0368A

...
55
ROD ASSEMBLY-LOCKING MTD-781-0370A

...
57
FILTER ELEMENT (10 MICRON LFP-1652) MTD-723P0405

...
58
FILTER HOUSING MTD-681-0179

...
60
Return Hose 3/4" I.D. x 44" Lg. MTD-727-0443

...
61
Hose Guard, 48" MTD-781-0538A

...
62
BEAM ASSEMBLY-VERTICLE MTD-681-0014

...
63
90 MALE ADAPTER MTD-737-0264

...
64
HOSE CLAMP-3/8 MTD-726-0199

...
65
FUEL HOSE 1/4-24" MTD-751-22813-24

...
66
Cotter PIn 1/8" Dia. MTD-714-0470

...
67
TANK MOUNTING BRACKET MTD-781-0535

...
68
HINGE PIN MTD-738-0805

...
69
Fuel Tank Ass'y Comp - 650C MTD-BS-691993

...
70
SUPPORT BRACKET MTD-781-0536

...
71
Hex Bolt 3/8-16 x 1" Lg. MTD-710-0514

...
72
MUFFLER GUARD MTD-751-0580

...
73
Hex Bolt 5/16-24 x 1" Lg. MTD-710-0888

...
74
Hex Bolt 5/16-24 x .62" Lg. MTD-710-0237

...
75
HEX SCREW 5/16-24X5.25LG MTD-710-1253

...
76
Hex Nut 5/16-24 Thd. MTD-912-3057

...
77
Sq. Key 1/4" x 1/4" x 2.00" MTD-914-0114

...
78
COUPLING-FLEX MTD-717-0462

...
79
Gear Pump (11 GPM) MTD-753-05194

...
80
SHIELD COUPLING MTD-719-0315

...
81
Hose Clamp 5/8" MTD-726-0132

...
82
Suction Hose 1" I.D. MTD-727-0451

...
83
HOSE-HIGH PRESSURE MTD-727-0452

...
84
Lock Wash. 5/16" I.D. For faster service obtain standard nuts, bolts and washers locally. If these items cannot be obtained locally, order by part number and size as shown on parts list. MTD-936-0119

...
85
Rear Coupling Support Bracket MTD-781-0097-0637

...
87
Hex Bolt 5/16-24 x .75" Lg. MTD-710-0157

...
88
Hex Bolt 5/16-24 x 1.75" Lg. MTD-710-0409

...
89
Engine MTD-NA

...
90
Fl-Wash. .344" I.D. x .875" O.D. MTD-736-0159

...
91
Vented Dipstick MTD-737-0348A

...
92
INSULATOR-SPARK PLUG Optional MTD-735-0639

...
93

...
94
SUPPORT ASS'Y MTD-681-0008

...
95
FRAME WELDMENT MTD-681-0011


...
97
Control Handle MTD-947-0583

...
102

...
103
Dust Seal MTD-921-0168

...
104
Fl-Wash. 3/8" I.D. x .87" O.D. MTD-736-0262

...
105
ADJUSTING STAND MTD-981-04029

...
106
hex AB-Tap Scr. 1/4 x 3/4" Lg. MTD-710-0895

...
107
SCREW-TRUSS MACH AB-TAPP #8 X MTD-710-0200

...
108
Hex Bolt 1/4-20 x .50" Lg. For faster service obtain standard nuts, bolts and washers locally. If these items cannot be obtained locally, order by part number and size as shown on parts list. MTD-910-0289

...
109
Fl-Wash. .25" I.D. x .5" O.D. MTD-736-0142

...
110
BRACKET-JACKSTAND MTD-781-0558
...
...
...
...
...
Processing