Models
Parts
Model: 245-315D099 (247.799640) (1995)
Chute Assembly
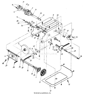
Friction Bearing/Differential/Friction Wheel Assembly
Fuel Tank
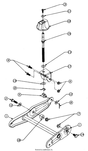
Handle Assembly
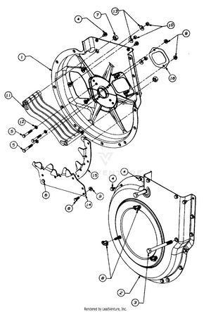
Housing Assembly
Idler - Pully/Bracket/Belt Assemblies
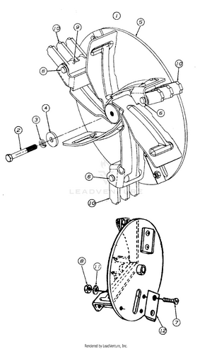
Impeller Assembly
Nozzle Assembly - Vacuum
Wheel Assembly Complete
Wheel Pivot Bracket Assembly
Model: 1AHF08390
In Stock
Replaced By :
Please call us at 866-243-2721 or talk with us by sending us more information. We want to verify availability before placing your order.
For Customer Service inquiries please E-mail info@partswarehouse.com, Call 866.243.2721 or Text 972.383.9129
Mon - Sat 7AM - 7PM CT
Mon - Sat 6AM-2AM CT
Track your order
Reviews
FAQs
Price Match Guarantee
Sign in for faster checkout.