Welcome,
My Cart
0 item(s)

Models

Parts


product name

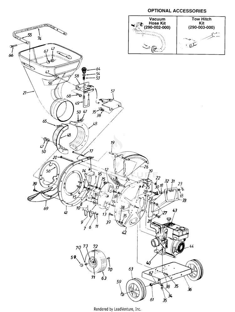
Craftsman 244-642D099 (247.795940) (1993) Chipper/Shredder

Model: 244-642D099 (247.795940) (1993)

Save
Part Not Listed?Part Not Listed?

product name

General Assembly

...
...

...
2
SCREW 3/8-24X2.25 GR8 MTD-710-1254

...
4
L-Wash. 3/8" I.D. H.D. MTD-736-0217

...
5
Fl-Wash. .406" I.D. x 1.25" O.D. Hdn. MTD-736-0247

...
6

...
7
Flail Spacer MTD-911-0564

...
8
Clevis Pin .496" Dia. MTD-911-0833B

...

...
10
Spring Roll Pin 1.12" Lg. MTD-915-0249

...
11
Fl-Wash. .531" I.D. x .94" O.D. MTD-736-0192

...
12
Impeller Assembly (standard) Used with Keyed Engine Crankshaft MTD-981-04096

...
13
CHIPPER BLADE MTD-981-0490

...
14
Flat Hd. Scr. 5/16-24 x .75" Lg. MTD-710-1054

...
15
Hex Top L-Nut 5/16-24 (Gr. 5) MTD-712-0411

...
16
Lock Wash. 5/16" I.D. For faster service obtain standard nut, bolts and washers locally. If these items cannot be obtained locally, order by part number and size as shown on parts list. MTD-936-0119

...
17
Hex Bolt 1/4-20 x 3.75" Lg. For faster service obtain standard nut, bolts and washers locally. If these items cannot be obtained locally, order by part number and size as shown on parts list. MTD-710-0825

...
18
Fl-Wash. .281" I.D. x .50" O.D. MTD-736-0142

...
19
SPACER-.260 x .3 MTD-950-0793

...
20
Clevis Pin .50 Dia x 4.82 Lg. MTD-911-0835

...
21
HOPPER-ROTATING For model (642D) MTD-731-1427

...
xx
HOPPER-ROTATING-YELLOW New Part; For model (648D) MTD-731-1512

...
22
Hex Ctr. L-Nut 1/4-20 Thd. MTD-712-0291

...
23
Cotter Pin MTD-714-3010

...
24
SHREDDER SCREEN MTD-781-0457-0637

...
25
Internal Cotter Pin 3/8" Dia. MTD-714-0149B

...
26
DISCHARGE CHUTE ASSEMBLY MTD-681-0094A

...
27
HEX NUT 5/16-18 MTD-712-3010

...
28
Bell-Wash. .345" I.D. x .88" MTD-736-0242

...
29
Hand Knob MTD-720-0170

...
30
CHIPPER DOOR ROD MTD-747-0744A

...
31
TORSION SPRING MTD-732-0542

...

...
33
CHIPPER CHUTE MTD-781-0475

...
34
SPECIAL WASHER MTD-736-0170

...
35
HEX NUT 5/16-18 MTD-712-3010

...
36
FRAME ASSEMBLY MTD-681-0184C

...
37
Hex Bolt 5/16-24 x .75" Lg. MTD-710-0157

...
38
Lock Wash. 5/16" I.D. MTD-936-0119

...
39
SCREW 5/16-18 x .75 GR5 MTD-710-3008

...
40
SCREW 5/16-18 x 1.5 LG For faster service obtain standard nut, bolts and washers locally. If these items cannot be obtained locally, order by part number and size as shown on parts list. MTD-710-0805A

...
41
Flail Housing Ass'y.- L.H MTD-681-0004A

...
42
HOUSING ASSEMBLY-FLAIL MTD-781-0474A

...
43
INSULATOR-SPARK PLUG MTD-735-0639

...
44
Engine MTD-NA

...
47
Elastic Lock Nut 5/16-18 Thd. MTD-712-0429

...
48
COLLAR-HOPPER MTG MTD-731-1428

...
49
LOCKING PIN MTD-781-0568

...
50
Fl-Wash. 5/16" I.D. MTD-736-0264

...
53
SPRING 1.5" LG MTD-732-0730

...
54
Fl-Wash. MTD-936-0117

...
55

...
56
Back-Up Plate MTD-781-0574

...
57
BRACKET-LWR LOCKING MTD-781-0562

...
58
BRACKET-UPR LOCKING MTD-781-0561

...
59
Push Cap 5/8" Dia. Rod MTD-726-0214

...
61
Spacer 64" I.D. x .38" Lg. MTD-950-0786

...
62
Shredder Axle For model (642D) MTD-738-0814

...
62
Shredder Axle For model (648D) MTD-738-0813

...
63
Wheel Ass'y. Comp. For model (642D) MTD-734-1600

...
63
Wheel Ass'y Comp For model (648D) MTD-934-04009

...
63
Pneumatic Tire 10.0 x 4.0 For model (648D) MTD-734-1598-0901

...

...
65
Hex Bolt 5/16-18 x 1" Lg. (Gr. 5) MTD-710-0376

...
66
BOLT-CURVED CARRIAGE MTD-710-1267

...
67
Saddle Wash. .32" I.D. MTD-736-0451

...
68
Carr. Bolt 5/16-18 x .75" Lg. MTD-710-0451

...
69
Front Support Brkt. MTD-781-0515

...
70
Flange Bearing .632 ID For model (648D) MTD-741-0487C

...
71
RIM For model (648D) MTD-734-1455A

...
72
Grease Fitting For model (648D) MTD-737-0211A

...
73
TUBELESS VALVE For model (648D) MTD-934-0255

...

...
xx
SHREDDER BAG (23.5 x 36) (WHITE) (Not Shown) MTD-664P04022A

...
xx
Safety Glasses (Not Shown) MTD-723-0400
...
...
...
...
...
Processing