Welcome,
My Cart
0 item(s)

Models

Parts


product name

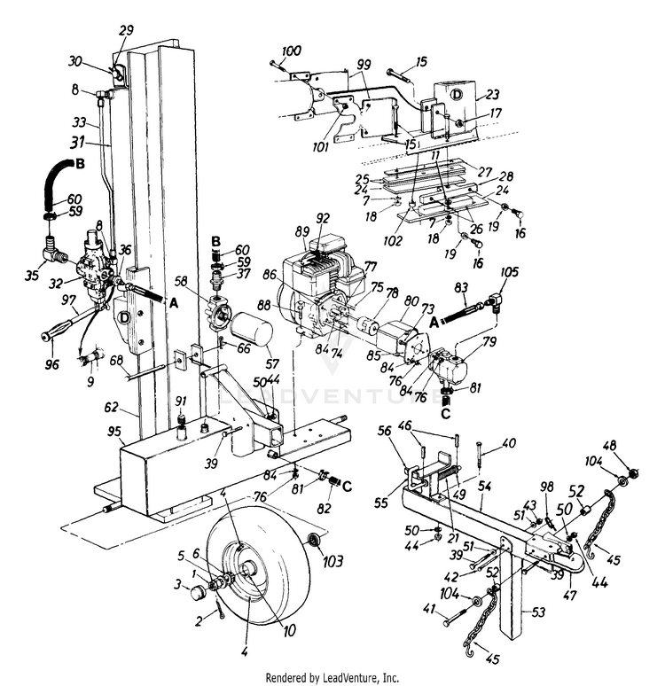
Craftsman 243-630-099 (247.287740) (1993) Log Splitter

Model: 243-630-099 (247.287740) (1993)

Save
Part Not Listed?Part Not Listed?

product name

General Assembly

...
...
1
Slotted Nut 3/4-16 Thd. MTD-712-0359

...
2
Cotter Pin 5/32" Dia. x 1-1/4" Lg. MTD-714-0162

...
3

...
4
Wheel Assembly MTD-634-0186

...
xx
Tire Only MTD-734-0872

...
xx
RIM ASSEMBLY (3.75 x 8.0) (GRAY) MTD-634-0188

...
xx
Dust Seal MTD-921-0168

...
xx
TUBELESS VALVE MTD-934-0255

...
5
Fl-Wash..76" I.D. x 1.5" O,D. MTD-736-0351

...
6
Cone Bearing MTD-941-04298

...
7
L-Wash. 1/2" I.D. For faster service obtain standard nuts, bolts and washers locally. If these items cannot be obtained locally, order by part number and size as shown on parts list. MTD-736-0921

...
8
90§ Solid Male Adapter MTD-737-0192

...
9
Pipe Nipple 1/2 NPT MTD-737-0238

...
10
Bearing Cup MTD-941-04299

...
11
Fl-Wash..531" I.D. x .94" O.D. MTD-736-0192

...
15
Hex Bolt 1/2-20 x 2.75" Lg. (Grade 8) MTD-710-1018

...
16
Hex Cap Screw 3/8-24 x 1.5 MTD-710-0459A

...
17
Hex L-Nut 1/2-20 Thd. MTD-712-0239

...
18
Hex Nut 1/2-20 Thd. MTD-712-3333

...
19
Hex Jam Nut, 3/8-24 MTD-912-3001

...
21
Comp. Spring 4" Lg. MTD-732-0583

...
23
Wedge Assembly MTD-753-04120

...
24
Back Plate New Part MTD-781-0537

...
25
Fixed Side Gib MTD-781-0350A

...
26
Adjustable Gib MTD-781-0351

...
27
ADJUSTABLE GUB SHIM MTD-781-0352A-0637

...
28
Floating Gib Plate MTD-781-0356

...
29
External Cotter Pin MTD-714-0203

...
30
PIN-CYLINDER MTG New Part MTD-715-0216

...
31
UNKNOWN MTD-NA

...
33
CYLINDER-HY New Part MTD-718-0245

...
32
Control Valve MTD-918-0481A

...
33
Metal Pressure Tube MTD-727-0323

...
35
Return Elbow MTD-737-0153

...
36

...
37
HOSE BARB-3/4 IN MTD-737-0235

...
39
Hex Bolt 3/8-16 x 2.75" Lg. (Grade 8) MTD-730-3066

...
40
Hex Bolt 3/8-16 x 4" Lg. MTD-710-0411

...
41
HEX SCREW 3/8-16 X 4.00 MTD-710-0411

...
42
CLEVIS PIN 5/16 x 2.5 MTD-911-0813

...
43
Hex L-Nut 3/8-16 Thd. MTD-712-0375

...
44
Hex Nut 3/8-16 Thd. For faster service obtain standard nuts, bolts and washers locally. If these items cannot be obtained locally, order by part number and size as shown on parts list. MTD-712-0798

...
45
LOGSPLITTER TOW CHAIN MTD-713-0433A

...
46
ROLL PIN MTD-715-0116

...
47
COUPLER-HITCH 1-7 MTD-727-0311

...
48
Hex Ctr. L-Nut 3/8- 16 Thd. MTD-712-3000

...
49
Fl-Wash. 635" I.D. x .93" O.D. MTD-736-0116

...
50
L-Wash. 3/8" I.D. For faster service obtain standard nuts, bolts and washers locally. If these items cannot be obtained locally, order by part number and size as shown on parts list. MTD-736-0169

...
51
Fl-Wash 406" I.D. x .75" O.D. MTD-736-0185

...
52
Spacer, .380 x .625 x .255 MTD-750-04776

...
53
JACK STAND MTD-781-0162


...
55
ROD ASSEMBLY-LOCKING New Part MTD-781-0370A

...
56
Beam Support Ass'y. MTD-781-0398

...
57
FILTER ELEMENT (10 MICRON LFP-1652) MTD-723P0405

...
58
FILTER HOUSING MTD-681-0179

...
59
Hose Clamp 5/8" MTD-726-0132

...
60
Return Hose 3/4" I.D x 44" Lg. MTD-727-0443

...
62
VERTICAL BEAM ASS'Y. New Part MTD-781-0404A

...
66
Cotter Pin 1/8" Dia. MTD-714-0470

...
68
HINGE PIN MTD-738-0805

...
73
Hex Bolt 5/16-24 x 1" Lg. MTD-710-0888

...
74
Hex Bolt 5/16-24 x .62" Lg. MTD-710-0237

...
75
HEX SCREW MTD-710-0363

...
76
Hex Nut 5/16-24 Thd. MTD-912-3057

...
77
Sq.-Key 3/16" x 75" MTD-714-0122

...
78
Flex Coupling MTD-917-0891

...
79
Gear Pump (11 GPM) MTD-753-05194

...
80
Coupling Shield MTD-719-0278

...
81
Hose Clamp New Part MTD-726-0174

...
82
Suction Hose New Part MTD-727-0451

...
83
HOSE-HIGH PRESSURE Indicates change from original printing. MTD-727-0452

...
84
Lock Wash. 5/16" I.D. For faster service obtain standard nuts, bolts and washers locally. If these items cannot be obtained locally, order by part number and size as shown on parts list. MTD-936-0119

...
85
Rear Coupling Support Bracket MTD-781-0097-0637

...
86
Front Coupling Support Bracket MTD-781-0098A-0637

...
88
Hex Bolt 5/16-24 x 3.75" Lg. MTD-710-0409

...
89
Engine MTD-NA

...
91
Vented Dipstick MTD-737-0348A

...
92
INSULATOR-SPARK PLUG MTD-735-0639

...
95
TANK ASS'Y. New Part MTD-781-0501A


...
97
Control Handle MTD-947-0583

...
98
Spring Pin MTD-732-0194

...
99
STRIPPER HALF MTD-781-0168A

...
100
Hex Boil 3/8-16 x 2.0" Lg. (Gr. 5) MTD-710-3344

...
101
Hex Ctr. L-Nut 3/8-16 Thd. MTD-712-3000

...
102

...
103
Dust Seal MTD-921-0168

...
104
Fl-Wash. 3/8" I.D. x .87" O.D. MTD-736-0262

...
105
90 MALE ADAPTER New Part MTD-737-0264
...
...
...
...
...
Processing