Welcome,
My Cart
0 item(s)

Models

Parts


product name

Craftsman 21AB40M7799 (247.299301) (2012) Tiller

Model: 21AB40M7799 (247.299301) (2012)

Back To Assemblies

Save
Part Not Listed?Part Not Listed?

product name

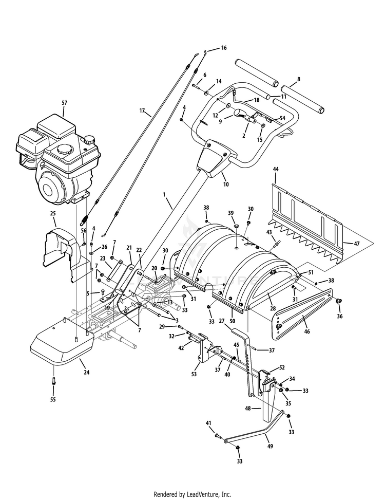
Handle & Tine Shield

...
...
1
UPPER HANDLE ASSEMBLY (CRAFTSMAN RED) MTD-649-04098B-4044

...
2
REVERSE HANDLE ASSEMBLY MTD-686-04135

...
3
Hex Screw, 5/16-18 x 3.00 MTD-710-0189

...
4
Hex Washer Screw, 1/4-20 x 0.500 MTD-710-0599

...
5
SCREW 5/16-18 x .875 GR5 HXFLG HD MTD-710-1238A

...
6
Hex Lock Screw, 1/4-20 x 1.62 MTD-710-3288

...
7
Flange Lock Nut, 5/16-18 MTD-712-04063

...
8
Foam Grip, .970 x 11.0 MTD-720-0278A

...
9
BRAKE HANDLE GRIP MTD-731-04735

...
10
HANDLE COVER W/O SWITCH HOLE MTD-731-06253B

...
11

...
12
Fl-Wash. .27" I.D. x .948" MTD-736-0176

...
13
Bell Washer, .340 x .872 x .060 MTD-736-0242

...
14
Saddle Wash. .32" I.D. MTD-736-0451

...
15
Shoulder Spacer, .375 x .165 MTD-738-0440

...
16
Reverse Cable MTD-946-04504

...
17
Forward Cable MTD-946-04506

...
18

...
19
Spacer, .322 x .625 x 2.00 MTD-750-0885A

...
20
Handle Adjustment Crank MTD-786-0340B

...
21
RH Handle Bracket MTD-786-04344-4044

...
22
LH Handle Bracket MTD-786-04345-4044

...
23
400 Nut Retainer Bracket MTD-786-04346

...
24
Front Bumper MTD-786-04360-4044

...
25
Belt Cover MTD-731-06529

...
26
Flat Washer, .28 x .74 x .063 MTD-736-0173

...
27
DEPTH ADJUSTMENT BRACKET MTD-786-04356A-4044

...
28
End Cover Assembly MTD-686-0044B-4044

...
29
SCREW 1/4-20 X1.00 GR5 MTD-710-0597

...
30
Hex Washer Screw, 5/16-18 x 0.625 MTD-710-0604A

...
31
SCREW 5/16-18 x .875 GR5 HXFLG HD MTD-710-1238A

...
32
SCREW 5/16-18 x .75 GR5 MTD-710-3008

...
33
Flange Lock Nut, 5/16-18 MTD-712-04063

...
34
Flange Lock Nut, 1/4-20 MTD-712-04064

...
35
Flange Lock Nut, 3/8-16 MTD-712-04065

...
36
Wing Nut w/ Bell Washer, 5/16-18 MTD-712-0421

...
37
Spring Pin, 1/4 x 1.00 MTD-715-0108

...
38
Cap Speed Nut, 1/4 MTD-926-0106

...
39
Deck Hole Plug MTD-731-05512

...
40
Torsion Spring MTD-732-04320

...
41
Shoulder Screw, 5/16-18 x .405 x .345 MTD-738-04320

...
42
SCREW:SHLDR:0.498X1.630:3/8-16 MTD-738-0533

...
43
Hex Screw, 5/16-18 x .75 MTD-938-0849

...
44
Tiller Flap Rod MTD-747-0432

...
45
Round Spacer, .370 x .260 x .410 MTD-750-05349

...
46

...
47
Rear Tine Shield MTD-786-0113A-4044

...
48
Stop Reverse Arm MTD-786-04092-4044

...
49
Depth Drag Bar MTD-786-04104-4044

...
50
Tine Shield Mount Bracket MTD-786-04352A-4044

...
51

...
52
LH Tail Bracket MTD-786-04363-4044

...
53
RH Tail Bracket MTD-786-04364-4044


...
55
Hex Washer Screw, 3/8-16 x 1.250 MTD-710-0502A

...
56
Hex Washer Screw, 3/8-16 x 1.250 MTD-710-0896

...
57
COMPLETE ENGINE 208cc MTD-952Z170-A0
...
...
...
...
...
Processing