Models
Parts
Model: 21AB40M1099 (247.29930) (2012)
.Quick Reference
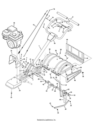
Handle & Tine Shield
Label Map
Tine & Drive
Transmission
170-T0B Air Cleaner & Muffler
170-T0B Carburetor
170-T0B Crankcase
170-T0B Cylinder Head
170-T0B Flywheel & Shroud
170-T0B Fuel Tank
Model: 1AHF08390
In Stock
Replaced By :
Please call us at 866-243-2721 or talk with us by sending us more information. We want to verify availability before placing your order.
For Customer Service inquiries please E-mail info@partswarehouse.com, Call 866.243.2721 or Text 972.383.9129
Mon - Sat 7AM - 7PM CT
Mon - Sat 6AM-2AM CT
Track your order
Reviews
FAQs
Price Match Guarantee
Sign in for faster checkout.