Welcome,
My Cart
0 item(s)

Models

Parts


product name

Craftsman 21AB40M1099 (247.29930) (2011) Tiller

Model: 21AB40M1099 (247.29930) (2011)

Back To Assemblies

Save
Part Not Listed?Part Not Listed?

product name

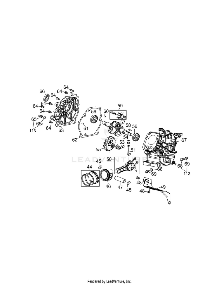
170-T0B Crankcase

...
...
44
PISTON RING SET MTD-751P12111A

...
45
PISTON PIN SNAP RING MTD-951-11632

...
46

...
47
PISTON PIN MTD-951-11633

...
48
Bolt M6×12 MTD-710-04915

...
49
Air Shield MTD-951-11113

...
50
CONNECTING ROD MTD-751P11573A

...
51
Governor Shaft MTD-951-14053

...
52
Washer 5.2×1.9 MTD-736-04461

...
53

...
54
Cotter Pin MTD-714-04078

...
55
CAMSHAFT ASSEMBLY MTD-951-11575

...
56
Radial Ball Bearing, 6205 MTD-951-11369

...
57
Crankshaft Assembly MTD-951-12160

...
58
WOODRUFF KEY MTD-751P10307A

...
59
GOVERNOR GEAR MTD-751P11576A

...
60
DOWEL PIN 9 X 14 MTD-715-04096A

...
61
Dowel Pin 9×14 MTD-715-04089

...
62
CRANKCASE GASKET MTD-751P11371B

...
63
CRANKCASE COVER MTD-951-12125A

...
64
Bolt M8×32 MTD-710-04932

...
65
Oil Fill Plug Asm MTD-951-11283

...
65a
O-RING 15.8 x 2.5 MTD-951-11577

...
66
OIL SEAL 25 x 41.25 x 6 MTD-951-11578

...
67
SHORTBLOCK (Incl Ref. 4,20,25,26,38,40,41,44-47,50-70) MTD-951-12155

...
68
FLAT WASHER MTD-736-04440A

...
69
Oil Drain Plug MTD-710-04906

...
112
Oil Drain Plug & Washer Assembly MTD-951-10370

...
113
Oil Fill Plug Assembly MTD-951-11283
...
...
...
...
...
Processing