Welcome,
My Cart
0 item(s)

Models

Parts


product name

Craftsman 21AA404D299 (247.29931) (2012) Tiller

Model: 21AA404D299 (247.29931) (2012)

Save
Part Not Listed?Part Not Listed?

product name

.Quick Reference

...
...
xx
Spark Plug MTD-759-3336

...
xx
Pre Filter MTD-BS-493537S

...
xx
AIR FILTER MTD-BS-491588S

...
xx
Fuel Filter MTD-BS-394358S

...
xx

...
xx
Drive Belt (FWD) MTD-954-04090

...
xx
Drive Belt (REV) MTD-954-04091

...
xx
Clutch Cable (FWD) MTD-946-04506

...
xx
Clutch Cable (REV) MTD-946-04504

...
xx
Tine Assembly, LH MTD-642-04071-4044

...
xx
Tine Assembly, RH MTD-642-04072-4044


...
xx
Wheel Assembly Complete MTD-934-04652

...
xx
Foam Grip MTD-720-0278A

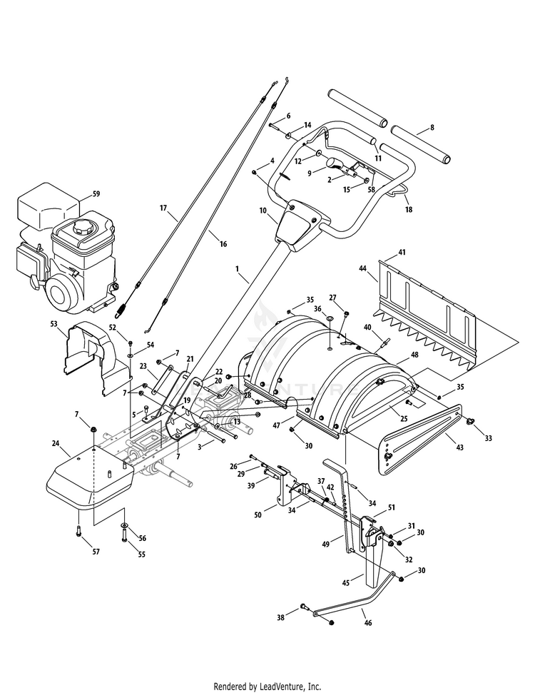
Handle & Tine Shield

...
...
1
UPPER HANDLE ASSEMBLY (CRAFTSMAN RED) MTD-649-04098B-4044

...
2
REVERSE HANDLE ASSEMBLY MTD-686-04135

...
3
Hex Screw, 5/16-18 x 3.00 MTD-710-0189

...
4
Hex Washer Screw, 1/4-20 x 0.500 MTD-710-0599

...
5
SCREW 5/16-18 x .875 GR5 HXFLG HD MTD-710-1238A

...
6
Hex Lock Screw, 1/4-20 x 1.62 MTD-710-3288

...
7
Flange Lock Nut, 5/16-18 MTD-712-04063

...
8
Foam Grip, .970 x 11.0 MTD-720-0278A

...
9
BRAKE HANDLE GRIP MTD-731-04735

...
10
HANDLE COVER W/O SWITCH HOLE MTD-731-06253B

...
11

...
12
Fl-Wash. .27" I.D. x .948" MTD-736-0176

...
13
Bell Washer, .340 x .872 x .060 MTD-736-0242

...
14
Saddle Wash. .32" I.D. MTD-736-0451

...
15
Shoulder Spacer, .375 x .165 MTD-738-0440

...
16
Reverse Cable MTD-946-04504

...
17
Forward Cable MTD-946-04506

...
18

...
19
Spacer, .322 x .625 x 2.00 MTD-750-0885A

...
20
Handle Adjust Crank MTD-786-0340B

...
21
RH Handle Bracket MTD-786-04344-4044

...
22
LH Handle Bracket MTD-786-04345-4044

...
23

...
24
Front Bumper MTD-786-04360-4044

...
25
End Cover Assembly MTD-686-0044B-4044

...
26
SCREW 1/4-20 X1.00 GR5 MTD-710-0597

...
27
Hex Washer Screw, 5/16-18 x 0.625 MTD-710-0604A

...
28
SCREW 5/16-18 x .875 GR5 HXFLG HD MTD-710-1238A

...
29
SCREW 5/16-18 x .75 GR5 MTD-710-3008

...
30
Flange Lock Nut, 5/16-18 MTD-712-04063

...
31
Flange Lock Nut, 1/4-20 MTD-712-04064

...
32
Flange Lock Nut, 3/8-16 MTD-712-04065

...
33
Wing Nut w/ Bell Washer, 5/16-18 MTD-712-0421

...
34
Spring Pin, 1/4 x 1.00 MTD-715-0108

...
35
Cap Speed Nut, 1/4 MTD-926-0106

...
36
Deck Hole Plug MTD-731-05512

...
37
Torsion Spring MTD-732-04320

...
38
Shoulder Screw, 5/16-18 x .405 x .435 MTD-738-04320

...
39
SCREW:SHLDR:0.498X1.630:3/8-16 MTD-738-0533

...
40
Hex Screw, 5/16-18 x .75 MTD-938-0849

...
41
Tiller Flap Rod MTD-747-0432

...
42
Round Spacer, .370 x .260 x .410 MTD-750-05349

...
43

...
44
Rear Tine Shield MTD-786-0113A-4044

...
45
Stop Reverse Arm MTD-786-04092-4044

...
46
Depth Drag Bar MTD-786-04104-4044

...
47
Tine Shield Mount Bracket MTD-786-04352A-4044

...
48

...
49
DEPTH ADJUSTMENT BRACKET MTD-786-04356A-4044

...
50
LH Tail Bracket MTD-786-04363-4044

...
51
RH Tail Bracket MTD-786-04364-4044

...
52
Hex Washer Screw, 1/4-20 x .500 MTD-710-0599

...
53
Belt Cover MTD-731-06529

...
54
Flat Washer, .28 x .74 x .063 MTD-736-0173

...
55
SCREW 5/16-18 x 1.5 LG MTD-710-0805A

...
56
Bellville Washer, .827 x .331 x .098 MTD-736-04193

...
57
Hex Screw, 3/8-16 x 1.250 MTD-710-0502A


...
59
Replacement Engine 12T102-0937-F8 Purchase locally MTD-NA

Label Map

...
...
777S33496
LABEL-TILLER TINESHIELD WARNING MTD-777S33496

...
777X43688
LABEL-ETHANOL MTD-777X43688

...
777I20358
LABEL-PLACE HAND HERE MTD-777I20358

...
777I22969
LABEL-TILLER 650 HANDLE/RGHT REV MTD-777I22969

...
777D15444
LABEL-TILLER FRONT HNDL CRAFTSMAN MTD-777D15444

...
777I22968
LABEL-TILLER 640/650 HANDLE MTD-777I22968

Tine & Drive

...
...
1
Complete Wheel Assy., 13 x 5 x 6 MTD-934-04652

...
2
Click Pin MTD-714-0143A

...
3
Idler Pulley Assembly MTD-684-04168

...
4
Hex Head Screw, 3/8-24 x 2.25 MTD-710-0331

...
5
Hex Head Screw, 5/16-24 x .625 MTD-710-0170

...
6
Self Tapping Screw, 1/4-20 x .500 MTD-710-0599

...
7
Hex Head Screw, 1/4-20 x 1.50 MTD-710-0606

...
8
Hex Head Screw, 5/16-18 x 1.25 MTD-710-0672

...
9
Hex Head Screw, 5/16-18 x .75, Patch MTD-710-1880

...
10
Transmission Assembly MTD-918-04815A

...
11
Nylon Hex Lock Nut, 1/4-20 MTD-712-04064

...
12
Nut, 9/16-18, Flange Lock MTD-712-0700

...
13
Hub, 5/8 Spline MTD-718-04407

...
14
Extension Spring, .480 OD X 5.00 LG MTD-732-04085

...
15
Extension Spring, PTO MTD-732-04276A

...
16
Lock Washer, 5/16 MTD-936-0119

...
17
Washer, .28 x .74 x .063 MTD-736-0173

...
18
Internal Cotter Pin MTD-714-04043

...
19
Flat Washer, .330 X 1.25 X .120 MTD-736-0343

...
20
Bell-Wash. .396" I.D. x 1.14" O.D. MTD-736-0452

...
21
Flat Washer, .265 x 1.0 x .030 MTD-736-3092

...
22
SHOULDER SCREW MTD-738-04425

...
23
Pivot Idler Spacer MTD-748-04087A

...
24
Shoulder Spacer, .260 x .785 x .538 MTD-750-04571

...
25
Pivot Idler Spacer MTD-750-04907

...
26
V-Belt, 4L x 25.375 Long MTD-954-04090

...
27
V-Belt, 3L x 29.125 Long MTD-954-04091

...
28
Engine Pulley MTD-756-04198A

...
29
Transmission Pulley MTD-756-04355

...
30
Cable Roller MTD-756-0625

...
31
Idler Bracket, Forward MTD-786-04312

...
32

...
33
Idler Bracket, Reverse MTD-786-04346

...
34
FRAME (RH) (CRAFTSMAN RED) MTD-786-04416B-4044

...
35
FRAME (LH) (CRAFTSMAN RED) MTD-786-04415D-4044

...
36
CABLE BRACKET ROLLER (CRAFTSMAN RED) MTD-786-04357A-4044

...
37
Pulley Shield MTD-786-04371-4044

...
38
Tine Assembly, LH MTD-642-04071-4044

...
39
Tine Assembly, RH MTD-642-04072-4044

...
40
Clevis Pin MTD-711-0415

...
41
Hex Washer Screw, 1/4-14 x .625 MTD-710-0896

...
42
Flat Washer, .760 x 1.500 x .120 MTD-736-0315

Transmission

...
...
1
Housing, Transmission MTD-919-04184A

...
2
SCREW 5/16-18 x .75 GR5 MTD-710-3008

...
3
Shaft, Tiller MTD-911-04844

...
4
Shaft, Wheel MTD-911-04854

...
5
Shaft, Worm MTD-911-05028

...
6
Key, Hi Pro .25 x 1.062 MTD-714-04059

...
7
Retaining Ring MTD-716-0204

...
8
Retaining Ring, Int MTD-716-04102

...
9
Worm Gear, 61t, RH MTD-917-04380

...
10
Worm Gear, 30t, LH MTD-917-04381

...
11
Bearing Cover MTD-918-04435

...
12
Seal, Oil, .750 Shaft x 1.783 Bore MTD-921-04030

...
13
Gasket, Gear Housing MTD-921-04229

...
14
Seal, Oil, 1.00 Shaft x 2.00 Bore MTD-721-04232

...
15
Rubber Plug, Oil MTD-721-04271

...
16
Wire Ring MTD-732-0614

...
17
Washer, Flat, 1.50 x 1.75 x .062 (The flat washers listed are used as required to obtain .005 to .015" allowable end play on the drive shaft.) MTD-736-04305

...
17
Washer, Flat, 1.50 x 1.75 x .005 MTD-736-04306

...
17
Washer, Flat, 1.50 x 1.75 x .03 MTD-736-04307

...
17
Washer, Flat, 1.50 x 1.75 x .010 MTD-736-04308

...
18
Washer, Flat, 1.010 x 1.56 x .060 MTD-736-0745

...
19
Cone Bearing MTD-941-04298

...
20
Bearing Cup MTD-941-04299

...
21
Ball Bearing MTD-741-3114

...
22
Cover, Transmission MTD-786-04366

...
23
TRANSMISSION COVER (POWDER BLACK) MTD-786-04392-0637

...
xx
Transmission Assembly Not shown MTD-918-04815A
...
...
...
...
...
Processing