Welcome,
My Cart
0 item(s)

Models

Parts


product name

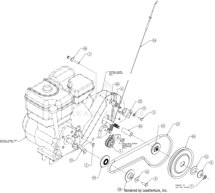
Craftsman 21A-34M8799 340 Series (2016) 340 Series 21A-34M8799 (2016) Tiller

Model: 21A-34M8799 340 Series (2016)

Back To Assemblies

Save
Part Not Listed?Part Not Listed?

product name

Drive Assembly

...
...
1
IDLER BRACKET ASSEMBLY MTD-686-0088

...
1
SCREW 3/8-16 X 1.25 GR5 MTD-710-3005

...
1
JAM LOCK NUT MTD-712-0266A

...
1
IDLER PULLEY MTD-756-0313

...
1
IDLER BRACKET MTD-786-0144-0637

...
1
BELT KEEPER MTD-786-0149

...
2
HEX SCREW 5/16-24 X .62 MTD-710-0170

...
3
HEX SCREW 5/16-18 X 3.00 MTD-710-0189

...
4
SCREW 3/8-24 X 1.00 GR8 MTD-710-1039

...
5
SCREW 5/16-18 x .75 GR5 MTD-710-3008

...
6
SPECIAL HEX NUT MTD-711-1036A


...
8
BELL WASHER .535 ID X1.50 OD X.052 MTD-736-0112

...
9
LOCK WASHER 5/16 MTD-936-0119

...
10
BELL WASHER .337 X.867 X .057 MTD-736-0242

...
11
RETAINING WASHER MTD-736-0312

...
12
Bell-Wash. .396" I.D. x 1.14" O.D. MTD-736-0452

...
13
GREASE (Not Shown, Purchase Locally) MTD-NA

...
14

...
15
PULLEY MOUNTING ADAPTER MTD-948-0350

...
16

...
17

...
18

...
19
ENGINE PULLEY INNER HALF MTD-756-0971

...
20
ENGINE PULLEY OUTER HALF MTD-756-0972

...
21
BELT COVER BRACKET MTD-786-0039B-0637

...
22
CABLE BRACKET GUIDE MTD-786-0129-0637
...
...
...
...
...
Processing