Welcome,
My Cart
0 item(s)

Models

Parts


product name

Craftsman 21A-144R799 (316.29270) Tiller

Model: 21A-144R799 (316.29270)

Save
Part Not Listed?Part Not Listed?

product name

Engine

...
...
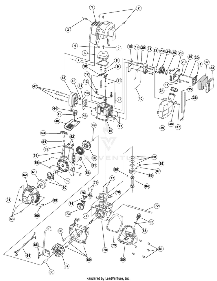
1
COVER:ENG:REAR:W/HOL MTD-753-04028

...
2
Engine Cover Screws MTD-753-04994

...
3
GUIDE, ROPE (AC-2. MTD-791-182651

...
4
LOCKNUT, ¼ "-20 W/ MTD-791-182652

...
5
Valve Cover Screw MTD-791-181025

...
6
COVER, VALVE W/O BRE MTD-791-182098

...
7
Valve Cover Gasket MTD-791-182099

...
8
NUT, ROCKER ADJUST MTD-791-182340

...
9
PIVOT, ROCKER ARM MTD-791-182101

...
10
ARM, ROCKER MTD-791-182100

...
11
STUD, ROCKER ARM MTD-791-182341

...
12
RET, VALVE SPRING MTD-791-182103

...
13
SPRING, VALVE MTD-791-181038

...
14
GUIDE, PUSH ROD MTD-791-182102

...
15
ROD, PUSH MTD-791-181033

...
16
CYLINDER ASSEMB MTD-791-182745

...
17
SCREW, M5 X18 MTD-9052-1

...
18
INTAKE BAFFLE MTD-753-1226

...
19
Carburetor Mount Gasket MTD-791-182749

...
20
NUT-DEE HANDLE MTD-791-181034

...
21
CARBURETOR INSULATOR MTD-753-04029

...
22
SCR, CARBU MTD-791-182348

...
23
CARBURETOR GASKET MTD-791-182732

...
24A
Carburetor w/Primer (See Lower Cultivator Parts Page For Carburetor Identification) MTD-791-182654

...
24B
Carburetor w/Primer (See Lower Cultivator Parts Page For Carburetor Identification) MTD-753-1225

...
25
Air Filter Gasket MTD-753-04030

...
26
AIR CLEANE MTD-791-182655

...
27
Breather Tube Assembly MTD-791-182097

...
28

...
29

...
30
CARB STUD MTD-792-9973

...
31
PLATE, WALBRO AIR MTD-791-182657

...
32
Air Filter MTD-791-182658

...
33
COVER, AIR CLEANER ( MTD-791-182659

...
34
FUEL CAP ASSEMBLY MTD-753-04033

...
35
Fuel Return Line MTD-791-182352

...
36
Fuel Pick-Up Line with Filter MTD-791-182353

...
37
SCREW, FUEL TANK BRA MTD-791-181080

...
38
FUEL TANK BUSHING MTD-753-04035

...
39
FUEL TANK ASSEMBLY MTD-753-04034

...
40
BAFFLE, FU MTD-791-182356

...
41
BAFFLE:MFLR:EXHAUST MTD-753-1232

...
42
MUFFLER GASKET MTD-9094-1

...
43

...
44
SCREEN, AC MUFFLER SPARK MTD-791-180890

...
45
COVER, SCREEN MTD-791-181045

...
46
SCREW, SCREEN COVER MTD-791-181046

...
47
SCREW, MUFFLER MTD-791-182361

...
48
SHIELD:MFLR:RADIANT MTD-753-1233

...
49
Pulley Retainer Assembly MTD-753-04288

...
50
Recoil Pulley MTD-791-182748

...
51
Recoil Spring Canister MTD-753-04286

...
52

...
53
Pull Handle MTD-631-04164B

...
54
Rope Guide MTD-791-611061

...
55
ROPE, STARTER .112 MTD-791-182661

...
56
Screw MTD-9054

...
57
HOUSING ASSEMBLY MTD-753-04038

...
58
GROMMET, WIRE (AC- MTD-791-182537

...
59

...
60
Clutch with Washer MTD-753-1238

...
61
Clutch Drum MTD-791-153592

...
62
CLUTCH COVER MTD-753-1239

...
63
Clutch Cover Screw MTD-791-181345

...
64
WIRE HARNESS MTD-753-04039

...
65
Ignition Module with Screws MTD-753-04040

...
66

...
67
Flywheel Assembly MTD-753-05240

...
68
SCREW, 1/4-20X.562 F MTD-791-181861

...
69
ASSEMBLY, SHROUD (AC-2. MTD-791-182743

...
70
ASSEMBLY, CRANKCASE & P MTD-791-182376

...
71
FITTING, BREATHER MTD-791-182375

...
72
Breather Hose MTD-791-182379

...
73

...
74
FOLLOWER, MTD-753-1242

...
75
BRACKET, CAM MTD-791-181013

...
76
SCR, CAM BRACKET MTD-791-181012

...

...
78
GASKET, CYLINDER B MTD-791-182374

...
79
GASKET, OIL PAN MTD-791-181018

...
80
PAN, OIL W/ GASKET MTD-791-182377

...
81
Screw MTD-9054

...
82
Dipstick Assembly MTD-791-182378

...
83

...
84
ROD, CONNECTING MTD-791-181009

...
85
BUTTON, WRIST PIN MTD-791-181008

...
86
PISTON ASSEMBLY:PSTN MTD-753-1243

...
87
PIN, WRIST MTD-791-181006

...
88
RING SET:PISTON MTD-753-04801

...
89
Anit-Rotation Screw MTD-791-145569

...
90
SCREW:8-32X1.00":MAC MTD-753-1240

...
91
NUT:#8-32: MTD-753-1241

...
xx
Spark Plug not shown MTD-794-00082

...
xx
SHORTBLOCK ASSEMBLY not shown MTD-753-04087

...
xx
Flywheel Assembly not shown MTD-753-05240

...
xx
Carburetor Repair Kit not shown MTD-753-04014

...
xx
Gasket/Diaphragm Repair Kit not shown MTD-753-1248

Lower Cultivator

...
...
1
THROTTLE CONTROL BAIL MTD-753-04042

...
2
TORSION SPRING MTD-753-04043

...
3
On/Off Switch MTD-791-182673

...
4
FOAM GRIP - 9" MTD-720-0294A

...
5A
THROTTLE CABLE If you have 24A Carburetor from the Engine Parts pages, of this parts list, then your replacement Throttle Cable will be 5A. MTD-753-04045

...
5B
CBL:THROT:AC2 CULT If you have 24B Carburetor from the Engine Parts pages then your replacement Throttle Cable will be 5B. MTD-753-04147

...
6
HANDLE UPR MTD-753-06319


...
8
Cable Tie MTD-725-0157

...
9
Flex Shaft MTD-753-04499


...
11
Saddle Wash. .32" I.D. MTD-736-0451

...
12
Lower Handle MTD-749-1295A-0637

...
13
Hex Bolt 5/16-18 x 2.25" Lg. MTD-710-0395

...
14
FRONT HANDLE MTD-753-04055

...
15

...
16
Hairpin Clip MTD-714-0104

...
17
Tailpiece Bracket Assembly MTD-753-04058

...
18
Clevis Pin MTD-711-1017

...
19
Hex Bolt 1/4-20 x .5" Lg. MTD-710-3013

...
20
LOCK NUT 1/4 MTD-912-3027

...
21
Push Cap MTD-726-0299

...
22
Wheel Support Bracket Assembly MTD-753-04063

...
23
Front Wheel, 7 x 1.8, Bar MTD-734-1988

...
24

...
25
WASH, FLAT SPECIAL MTD-4150

...
26
Tine Shield MTD-753-04067

...
27
Gear Box Assembly MTD-753-04075

...
28
TINE (INNER) (RH) MTD-753-04074

...
29
TINE (OUTER) (RH) MTD-753-04073

...
30
TINE (INNER) (LH) MTD-753-04072

...
31
TINE-OUTER (LH) MTD-753-04071

...
32
Click Pin MTD-753-04070

...
33
TINE-EDGER OUTER MTD-753-04069

...
34
PLASTIC WHEEL 5.0X1.38 MTD-753-04068

...
35
Drive Shaft Housing MTD-753-05469

...
36
Hex Tap Scr. 1/4-20 x .5" Lg. MTD-710-0599
...
...
...
...
...
Processing