Welcome,
My Cart
0 item(s)

Models

Parts


product name

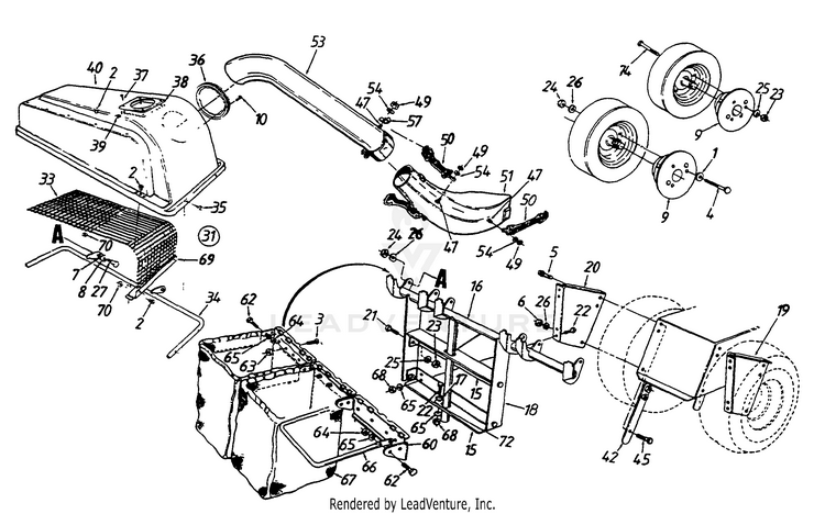
Craftsman 19A20001038 33" Grass Bag Kit Electric Mower

Model: 19A20001038 33" Grass Bag Kit

Save
Part Not Listed?Part Not Listed?

product name

083 Grass Collector

...
...
1
Fl-Wash. .385" I.D. MTD-736-0300

...
2
Pop Rivet .188 Dia. MTD-928-0123

...
3
Truss Mach. Scr. #10-24 x .5" MTD-710-0473

...
4
Hex Bolt 3/8-16 x 4.5" ig. MTD-710-0693

...
5
Screw, 5/16-18 x .625 MTD-710-0604A

...
6
Hex Nut 3/8-24 Thd. MTD-712-0241

...
7
Bell-Wash. .515" I.D. MTD-736-0255

...
8
Fl-Wash. .510" I.D. MTD-736-0108

...
9
WHEEL WEIGHT MTD-723-0414B

...
10
Truss AB-Tap Scr. #6 x .6" MTD-710-0936

...
15
BRACKET, CATCHER MTG. MTD-17200A

...
16
SUPPORT ASSEMBLY MTD-749-0750

...
17
SPRING WASHER BELL MTD-736-0270

...
18
Catcher Support Bracket MTD-783-0601-0637

...
19
SUPPORT BRACKET (RH) MTD-17190

...
20
SUPPORT BRACKET MTD-17191-0637

...
21
Hex Bolt 5/16-18 x .75" Lg. MTD-710-0118

...
22
SCREW 1/4-20 x .620 GR5 MTD-710-0751

...
23
HEX NUT 5/16-18 MTD-712-3010

...
24
Hex Nut 3/8-16 Thd. MTD-712-0798

...
25
Lock Wash. 5/16" I.D. MTD-936-0119

...
26
L-Wash. 3/8" I.D." MTD-736-0169

...
27
Shld. Bolt 3/8-16 x .500" Dia. MTD-738-0380

...
31
COVER ASSEMBLY- MTD-17204

...
33

...
34
HINGE BRACKET ASSEMBLY MTD-749-0747

...
35
Hex Tap Scr. 1/4-20 x .5" Lg. MTD-710-0599

...
36
Tube Seal MTD-723-0413

...
37
Truss Mach. B-Tap Scr. #10 x .5" Lg. MTD-710-0351

...
38
PLASIC PLATE MTD-731-0824

...
39
U-Type Speed Nut MTD-712-0147

...
40
COVER ASSEMBLY- MTD-731-0896

...
42
BRACKET ASSEMBLY- MTD-17192

...
45
Hex Bolt 3/8-24 x .75" Lg. MTD-710-0180

...
47
Hex Bolt 1/4-20 x .50" Lg. MTD-910-0289

...
49
Hex Ins. L-Nut 1/4-20 Thd. MTD-712-0324

...
50
Retainer Strap Assembly MTD-923-0383

...
51
Discharge Chute MTD-731-0925C

...
53
Chute Tube MTD-731-0926B

...
54
Spring Wash. .265 I.D. x .562 O.D. MTD-936-0175

...
57
Retainer Hook Brkt. MTD-96606

...
60
Bag Frame Hanger Bracket MTD-17201A-0637

...
62
Hex Bolt 1/4-28 x .88" Lg. MTD-710-0281

...
63
Hex Sems Nut 010-24 Thd. MTD-712-0272

...
64
Hex Nut 1/4-28 Thd. MTD-712-0138

...
65
L-Wash. 1/4" I.D. MTD-936-0329

...
66
CATCHER BAG FRAME MTD-749-0745A-0637

...
67
Grassbag MTD-964-0251

...
68
HEX NUT 1/4-20 MTD-912-0287

...
69
BRACKET SCREEN MTG MTD-17202

...
70
Flat Wash. 1/4" I.D. MTD-736-0400

...
72
Support Tube Bracket MTD-17247-0637

...
74
Hex Bolt 5/16-18 x 4" Lg. MTD-710-0190

General Assembly

...
...
1
SERVICE REPLACEMENT KITLAC MTD-753-06127

...
1.1
CLEVIS PIN 5/16 x 3/4 MTD-711-05063

...
1.2
BOW TIE COTTER PIN 1/4-5/16 MTD-714-04040

...
1.3
CHUTE STRAP MTD-723-04008A

...
1.4
POP RIVET .187 DIA MTD-728-04021

...
1.5
PLASTIC RIVET .250 MTD-728-04042

...
1.6
Not Serviceable/ Order Complete Assembly MTD-NSOCA

...
1.7
ROD CONTROL BUSHING MTD-731-1706

...
1.8
FLAT WASHER (4/1/23 & After) MTD-736-0264

...
1.8
FLAT WASHER .344 ID x .62 OD x .033 (4/1/23 & Before) MTD-736-0204

...
1.9
FLAT WASHER .194x.620x.063 MTD-736-0400

...
1.10
ELBOW HOLDER BRACKET MTD-787-01533-0637

...
2
HOLDER ROD ASSEMBLY (POWDER BLACK) MTD-647-04110-0637

...
3
CABLE TIE 36" MTD-726-0230

...
4
GRASSBAG HANGER ROD MTD-747-04671

...
5
GRASSBAG (2.6 BUSH) MTD-764-05530
...
...
...
...
...
Processing