Welcome,
My Cart
0 item(s)

Models

Parts


product name

Craftsman 199 (247.780890) (1991) Chipper/Shredder

Model: 199 (247.780890) (1991)

Save
Part Not Listed?Part Not Listed?

product name

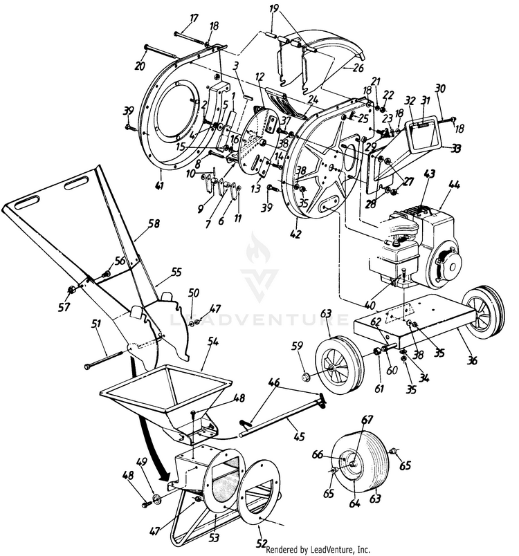
Parts01

...
...
1
SHREDDER BLADE BLACK MTD-13431-0637

...
2
Hex Patch Bolt 3/8-24 x 2" Lg. (Grade 8) MTD-710-0818

...
3
Sq. Key 1/4" x 1/4" x 2.00" MTD-914-0114

...
4
L-Wash. 3/8" I.D. H.D. MTD-736-0217

...
5
Fl-Wash. .406" I.D. x 1.25" O.D. Hdn. MTD-736-0247

...
6

...
7
Flail Spacer MTD-911-0564

...
8
Clevis Pin .496" Dia. MTD-911-0833B

...

...
10
Spring Roll Pin 1.12" Lg. MTD-915-0249

...
11
Fl-Wash. .531" I.D. x .94" O.D. MTD-736-0192

...
12
IMPELLER ASS'Y. MTD-781-0484

...
13
CHIPPER BLADE MTD-981-0490

...
14
Flat Hd. Scr. 5/16-24 x .75" Lg. MTD-710-1054

...
15
Hex Top L-Nut 5/16-24 (Grade 5) MTD-712-0411

...
16
Lock Wash. 5/16" I.D. MTD-936-0119

...
17
Hex Bolt 1/4-20 x 4.0" Lg.* MTD-710-1058

...
18
Fl-Wash. .344" I.D. x 875" O.D. MTD-736-0159

...
19
SPACER-.260 x .3 MTD-950-0793

...
20
Clevis Pin .50 Dia x 4.82 Lg. MTD-911-0835

...
21
L-Wash. 1/4" I.D. MTD-936-0329

...
22
HEX NUT 1/4-20 MTD-912-0287

...
23
PUSH NUT MTD-726-0106

...
24
SHREDDER SCREEN MTD-781-0457-0637

...
25
Internal Cotter Pin 818n Dia. MTD-714-0145

...
26
DISCHARGE CHUTE ASSEMBLY MTD-681-0094A

...
27
HEX NUT 5/16-18 MTD-712-3010

...
28
Bell-Wash. .345" I.D. x .88" MTD-736-0242

...
29
Hand Knob MTD-720-0170

...
30
CHIPPER DOOR ROD MTD-747-0744A

...
31
TORSION SPRING MTD-732-0542

...

...
33
CHIPPER CHUTE MTD-781-0475

...
34
SPECIAL WASHER MTD-736-0170

...
35
HEX NUT 5/16-18 MTD-712-3010

...
36
FRAME ASSEMBLY MTD-681-0184C

...
37
Hex Bolt 5/16-24 x .75" Lg. MTD-710-0157

...
38
Lock Wash. 5/16" I.D. MTD-936-0119

...
39
SCREW 5/16-18 x .75 GR5 MTD-710-3008

...
40
Hex Bolt 5/16-18 x 1.75" Lg. MTD-710-3180

...
41
HOUSING ASSEMBLY (LH) MTD-781-0473

...
42
FLAIL HOUSING ASS'Y. R.H. MTD-781-0474

...
43
INSULATOR-SPARK PLUG (Optional) MTD-735-0639

...
44
Engine MTD-NA

...
45
BAR-RELEASE MTD-747-0531A

...
46
Torsion Spring 1.06" Lg MTD-932-0546

...
47
Elastic Lock Nut 5/16-18 Thd. MTD-712-0429

...
48
Hex Wash. Hd. Scr. 5/16-18 x .75" MTD-710-1260A

...
49
WASHER-STOP MTD-11480

...
50
Fl-Wash. 5/16" I.D. MTD-736-0264

...
51
SCREW 5/16-18 x 8.375 GR5 MTD-710-0542

...
52
BACK-UP PLATE MTD-781-0487A

...
53
GUIDE ASSEMBLY-INLET MTD-16522A

...
54
HOPPER ASSEMBLY MTD-11481B

...
55
RAMP SECTION MTD-781-0509

...
56
Truss Mach. Scr. 1/4-20 x .5" MTD-710-0286

...
57
Hex L-Nut 1/4-20 Thd MTD-912-0107

...
58
RAMP SECTI MTD-11461B

...
59
Push Cap 5/8" Dia. Rod MTD-726-0214

...
60
Fl-Wash. 54" I.D. x 1.24" MTD-736-0187

...
61
Spacer 64" I.D. x .38" Lg. MTD-950-0786

...
62
Shredder Axle (645) MTD-738-0814

...
xx
Shredder Axle (648) MTD-738-0813

...
63
Wheel Ass'y. Comp. (645) MTD-734-1600

...
xx
Wheel Ass'y Comp (648) MTD-934-04009

...
xx
Pneumatic Tire 10.0 x 4.0 (648) MTD-734-1598-0901

...
64
11 x 4.0 RIM ONLY (648) MTD-734-1455

...
65
Flange Bearing .632 ID (648) MTD-741-0487C

...
66
TUBELESS VALVE (648) MTD-934-0255

...
67
GREASE FITTING (SLOTTED) (648) MTD-737-0280

...
xx
SHREDDER BAG (23.5 x 36) (WHITE) (Not Shown) MTD-664P04022A

...
xx
Safety Glasses (Not Shown) MTD-723-0400

Parts02

...
...
1
RAMP SECTI MTD-11461B

...
2
TRUSS MACHINE SCREW 1/4-20 x .5" MTD-710-0286

...
3
Hex L-Nut 1/4-20 Thd MTD-912-0107

...
4
HOOD-PIVOT HOPPER MTD-781-0494

...
5
LOWER LEAF RAMP SECTIO MTD-781-0496

...
6
HOPPER PIVOT DOOR MTD-781-0492

...
7
BRACKET-HOPPER MTD-781-0493

...
8
TORSION SPRING MTD-932-0629

...
9
ROD-HOPPER DOOR MTD-747-0747

...
10
PUSH NUT MTD-726-0106

...
11
BAR-RELEASE MTD-747-0531A
...
...
...
...
...
Processing